| Verfügbarkeitsstatus: | |
|---|---|
| Menge: | |
PHA-200-01XE
Piezohannas
PHA-200-01XE
Ultraschallwandler -Abstandsmessung von Titanlegierung für Ultraschallgasströmungsmeter
Technische Parameter:
Artikel | Technische Parameter | Bild | |
Name | 200 kHz Ultraschallwandler |
| |
Modell | PHA-200-01XE | ||
Sprenggasatmosphären | Normal arbeiten | ||
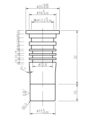
Aktiver Zonendurchmesser | 15 mm | ||
Frequenz | 195KHz ±5% | ||
Erkennungsabstand | 0.10~1,5 m | ||
Minimale parallele Lmpedanz | 240Ω ± 20% | ||
1000PF ± 20%@1kHz | |||
Empfindlichkeit | Keine Last dRauchenvOltage: 200VPP,Distanz:0,3 m, Echoamplitude: 8MV | ||
Gipfel Stromspannung<600VPP | |||
-40~+80 ℃ | |||
16 kilos oder 1,6 MPA | |||
(Strahlbreite) Halbleistungstrahlbreite bei -3 dB: 7 ° ±10%, Scharfer Winkel :: 18 ° ±10% | |||
Wohnmaterial | Titanlegierung | ||
Verwendungszweck | Ultraschallgasströmung | ||
Abmessungen | (Kann nach den Kundenanforderungen angepasst werden) | ||
Schutzlevel | IP68 | ||
Gewicht | 30g ± 5% ((Kabellänge:20 cm) | ||
Verkabelungsanleitungen | Schnittstelle: Rot: Wandler +, Weiß: Wandler -, Schwarz: Abgeschirmtes Draht, (Temperatursensor ist optional) | ||
Zulassungskurve | Produktstrukturdiagramm | ||
| |||
Blockendiagramm des Ultraschallabstandswandlers :
Schematisches Diagramm des Temperatursensors (Modell: MF58_502F3470):
Kabelbefehl integrierter Typ:
1. Verdrahtanweisungen des Wandlers: Schnittstelle (3Pin, 2,54 mm Klemme)
Rot: Wandler +
Weiß: Wandler -
Schwarz: Abschirmung
2. Kennbare Anweisung des Temperatursensors: Grenzfläche (3 Pin, 2,0 mm Klemme)
Rot und Schwarz sind Temperatursensorverdrahtung
Splitstyp: Standard -10 -m -Kabel, mit jedem weiteren 50 m Kabel, die Signalschwächung beträgt 6 dB
Drei-Kern-Verkabelungsanweisungen:
Rot: Wandler +
Blau: Temperatursensor +
Schwarz: öffentlich-
Vier-Kern-Verkabelungsanweisungen:
Rot: Wandler +
Gelb: Wandler-
Blau, Schwarz: Temperatursensor
Was geht in die Herstellung eines Wandlers ein?
Die Hauptkomponente eines Tiefenwandlers ist das piezoceramische Element. Es ist der Teil, der elektrische Impulse in Schallwellen umwandelt, und wann der Echoes kehren zurück, das Piezoceramic -Element wandelt die Schallwellen wieder in elektrische Energie um. Piezoceramic -Elemente sind am häufigsten in einer Festplattenform, aber sie können auch in Form eines Balkens oder eines Rings in Form sein. Ein Wandler kann ein Element oder eine Reihe von Elementen enthalten, die mit einem Array bezeichnet werden. EIN Der Wandler besteht aus sechs separaten Komponenten:
Ultraschallwandler -Abstandsmessung von Titanlegierung für Ultraschallgasströmungsmeter
Technische Parameter:
Artikel | Technische Parameter | Bild | |
Name | 200 kHz Ultraschallwandler |
| |
Modell | PHA-200-01XE | ||
Sprenggasatmosphären | Normal arbeiten | ||
Aktiver Zonendurchmesser | 15 mm | ||
Frequenz | 195KHz ±5% | ||
Erkennungsabstand | 0.10~1,5 m | ||
Minimale parallele Lmpedanz | 240Ω ± 20% | ||
1000PF ± 20%@1kHz | |||
Empfindlichkeit | Keine Last dRauchenvOltage: 200VPP,Distanz:0,3 m, Echoamplitude: 8MV | ||
Gipfel Stromspannung<600VPP | |||
-40~+80 ℃ | |||
16 kilos oder 1,6 MPA | |||
(Strahlbreite) Halbleistungstrahlbreite bei -3 dB: 7 ° ±10%, Scharfer Winkel :: 18 ° ±10% | |||
Wohnmaterial | Titanlegierung | ||
Verwendungszweck | Ultraschallgasströmung | ||
Abmessungen | (Kann nach den Kundenanforderungen angepasst werden) | ||
Schutzlevel | IP68 | ||
Gewicht | 30g ± 5% ((Kabellänge:20 cm) | ||
Verkabelungsanleitungen | Schnittstelle: Rot: Wandler +, Weiß: Wandler -, Schwarz: Abgeschirmtes Draht, (Temperatursensor ist optional) | ||
Zulassungskurve | Produktstrukturdiagramm | ||
| |||
Blockendiagramm des Ultraschallabstandswandlers :
Schematisches Diagramm des Temperatursensors (Modell: MF58_502F3470):
Kabelbefehl integrierter Typ:
1. Verdrahtanweisungen des Wandlers: Schnittstelle (3Pin, 2,54 mm Klemme)
Rot: Wandler +
Weiß: Wandler -
Schwarz: Abschirmung
2. Kennbare Anweisung des Temperatursensors: Grenzfläche (3 Pin, 2,0 mm Klemme)
Rot und Schwarz sind Temperatursensorverdrahtung
Splitstyp: Standard -10 -m -Kabel, mit jedem weiteren 50 m Kabel, die Signalschwächung beträgt 6 dB
Drei-Kern-Verkabelungsanweisungen:
Rot: Wandler +
Blau: Temperatursensor +
Schwarz: öffentlich-
Vier-Kern-Verkabelungsanweisungen:
Rot: Wandler +
Gelb: Wandler-
Blau, Schwarz: Temperatursensor
Was geht in die Herstellung eines Wandlers ein?
Die Hauptkomponente eines Tiefenwandlers ist das piezoceramische Element. Es ist der Teil, der elektrische Impulse in Schallwellen umwandelt, und wann der Echoes kehren zurück, das Piezoceramic -Element wandelt die Schallwellen wieder in elektrische Energie um. Piezoceramic -Elemente sind am häufigsten in einer Festplattenform, aber sie können auch in Form eines Balkens oder eines Rings in Form sein. Ein Wandler kann ein Element oder eine Reihe von Elementen enthalten, die mit einem Array bezeichnet werden. EIN Der Wandler besteht aus sechs separaten Komponenten: