| Verfügbarkeitsstatus: | |
|---|---|
| Menge: | |
PHAU-200-01CA
Piezohannas
PHAU-200-01CA
200 kHz PVDF -Ultraschall -Gasströmungswandler für Ultraschallgasmessgerät
Technische Parameter:
Artikel | Technische Parameter | Bild | |
Name | 200kHzUltraschallwandler |
| |
Modell | PHAU-200-01Ca. | ||
Frequenz | 200KHz±5% | ||
Erkennungsabstand | 0.10~1m | ||
Minimale parallele Lmpedanz | 300Ω ±20% | ||
850Pf±20%@1kHz | |||
Empfindlichkeit | NeinLast dRauchenvOltage::200VPP,Distanz:0,3 m, Echoamplitude:5MV | ||
Gipfel Stromspannung<500VPP | |||
-40~+80℃ | |||
≤16Kilos oder 1,6 MPA | |||
(Strahlbreite) Halbkraftstrahlbreite@-3db:10.1° ±10%, Spitzer Winkel:23.9° ±10% | |||
Wohnmaterial | Titanlegierung | ||
Verwendungszweck | Ultraschallgasströmung | ||
Schutzlevel | IP68 | ||
Gewicht | 24.2g±5% ((Kabellänge:80cm) | ||
Verkabelungsanleitungen | Schnittstelle: Rot: Wandler +, Weiß: Wandler -, Schwarz: Abgeschirmtes Draht, (Temperatursensor ist optional) | ||
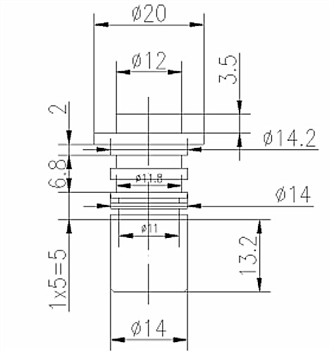
Zulassungskurve | Produktstrukturdiagramm | ||
|
| ||
Blockendiagramm des Ultraschallabstandswandlers :
Schematisches Diagramm des Temperatursensors (Modell: MF58_502F3470):
Kabelbefehl integrierter Typ:
1. Verdrahtanweisungen des Wandlers: Schnittstelle (3Pin, 2,54 mm Klemme)
Rot: Wandler +
Weiß: Wandler -
Schwarz: Abschirmung
2. Kennbare Anweisung des Temperatursensors: Grenzfläche (3 Pin, 2,0 mm Klemme)
Rot und Schwarz sind Temperatursensorverdrahtung
Splitstyp: Standard -10 -m -Kabel, mit jedem weiteren 50 m Kabel, die Signalschwächung beträgt 6 dB
Drei-Kern-Verkabelungsanweisungen:
Rot: Wandler +
Blau: Temperatursensor +
Schwarz: öffentlich-
Vier-Kern-Verkabelungsanweisungen:
Rot: Wandler +
Gelb: Wandler-
Blau, Schwarz: Temperatursensor
Bewerbung für Ultraschallgasflussmeter:
Industriell Gasströmungsmesser Für Flüssigkeits- und Wasseranwendungen werden weit verbreitet, es ist seit langem akzeptiert, dass die Klemme der Gasdurchflussmeter -Technologie nicht auf die Messmessung des Massengasstroms angewendet werden konnte, die hauptsächlich auf grundlegende theoretische Messgrenzen zurückzuführen sind. Die übertragene Schallenergie wird von herkömmlichen Ultraschallwandlern empfangen. Fortschritte in der Klemme zur Messung der Gasflussmessung und der Verarbeitung haben jedoch dazu geführt, dass trotz niedrigerer akustischer Impedanzniveaus und höheren Dämpfungsniveaus bei den meisten Gasen eine Klemme des Gasströmungsmessers jetzt die Transitzeiten in Gasen messen kann niedrig. Es ist jetzt möglich zu messen Erdgas, Dampf, Pressluft, Wasserstoff, Pressluft und vieles mehr mit Klemme auf Flussmesser.
200 kHz PVDF -Ultraschall -Gasströmungswandler für Ultraschallgasmessgerät
Technische Parameter:
Artikel | Technische Parameter | Bild | |
Name | 200kHzUltraschallwandler |
| |
Modell | PHAU-200-01Ca. | ||
Frequenz | 200KHz±5% | ||
Erkennungsabstand | 0.10~1m | ||
Minimale parallele Lmpedanz | 300Ω ±20% | ||
850Pf±20%@1kHz | |||
Empfindlichkeit | NeinLast dRauchenvOltage::200VPP,Distanz:0,3 m, Echoamplitude:5MV | ||
Gipfel Stromspannung<500VPP | |||
-40~+80℃ | |||
≤16Kilos oder 1,6 MPA | |||
(Strahlbreite) Halbkraftstrahlbreite@-3db:10.1° ±10%, Spitzer Winkel:23.9° ±10% | |||
Wohnmaterial | Titanlegierung | ||
Verwendungszweck | Ultraschallgasströmung | ||
Schutzlevel | IP68 | ||
Gewicht | 24.2g±5% ((Kabellänge:80cm) | ||
Verkabelungsanleitungen | Schnittstelle: Rot: Wandler +, Weiß: Wandler -, Schwarz: Abgeschirmtes Draht, (Temperatursensor ist optional) | ||
Zulassungskurve | Produktstrukturdiagramm | ||
|
| ||
Blockendiagramm des Ultraschallabstandswandlers :
Schematisches Diagramm des Temperatursensors (Modell: MF58_502F3470):
Kabelbefehl integrierter Typ:
1. Verdrahtanweisungen des Wandlers: Schnittstelle (3Pin, 2,54 mm Klemme)
Rot: Wandler +
Weiß: Wandler -
Schwarz: Abschirmung
2. Kennbare Anweisung des Temperatursensors: Grenzfläche (3 Pin, 2,0 mm Klemme)
Rot und Schwarz sind Temperatursensorverdrahtung
Splitstyp: Standard -10 -m -Kabel, mit jedem weiteren 50 m Kabel, die Signalschwächung beträgt 6 dB
Drei-Kern-Verkabelungsanweisungen:
Rot: Wandler +
Blau: Temperatursensor +
Schwarz: öffentlich-
Vier-Kern-Verkabelungsanweisungen:
Rot: Wandler +
Gelb: Wandler-
Blau, Schwarz: Temperatursensor
Bewerbung für Ultraschallgasflussmeter:
Industriell Gasströmungsmesser Für Flüssigkeits- und Wasseranwendungen werden weit verbreitet, es ist seit langem akzeptiert, dass die Klemme der Gasdurchflussmeter -Technologie nicht auf die Messmessung des Massengasstroms angewendet werden konnte, die hauptsächlich auf grundlegende theoretische Messgrenzen zurückzuführen sind. Die übertragene Schallenergie wird von herkömmlichen Ultraschallwandlern empfangen. Fortschritte in der Klemme zur Messung der Gasflussmessung und der Verarbeitung haben jedoch dazu geführt, dass trotz niedrigerer akustischer Impedanzniveaus und höheren Dämpfungsniveaus bei den meisten Gasen eine Klemme des Gasströmungsmessers jetzt die Transitzeiten in Gasen messen kann niedrig. Es ist jetzt möglich zu messen Erdgas, Dampf, Pressluft, Wasserstoff, Pressluft und vieles mehr mit Klemme auf Flussmesser.