Elektrostatischer Ultraschall -Messsensor mit hoher Leistung
Rangierungsmethode für unbemannte Luftfahrzeuge mit Ultraschallwandler ausgestattet
Das Prinzip der Drohnen -Technologie und die Ultraschall -Fernstufe
Studie über akustische Eigenschaften des hochfrequenten medizinischen Ultraschallwandlers
| Verfügbarkeitsstatus: | |
|---|---|
| Menge: | |
Phal-200-01d
Piezohannas
PHAL-200-01D
Anpassbarer Ultraschall -Rangetransducer für Ultraschallgasströmungsmeter
Artikel | Technische Parameter | Bild | |
Name | 200kHz Ultraschallwandler |
| |
Modell | PHAL-200-01D | ||
Aktiver Zonendurchmesser | 10 mm | ||
Frequenz | 200KHz ±5% | ||
Erkennungsabstand | 0.10~1,5 m | ||
Minimum Parallele Lmpedanz | 1200Ω ± 20% | ||
| 380PF ± 20%@1kHz | ||
Empfindlichkeit | Spannung emittieren: 800VPP,Entfernung: 30cm,Empfangen und Ausgang Empfangssignal: 20 MV | ||
Gipfel Stromspannung<1000VPP | |||
-40~+80 ℃ | |||
| 16Kilos oder1,6 MPA | ||
(Strahlbreite) Halbkraftstrahlbreite@-3db: 10° ± 2 Spitzer Winkel:23 ° ± 4 | |||
Gehäuse Material | Es kann in starker Säure- und Alkali -Umgebung verwendet werden(Ti) | ||
Verwendungszweck | Ultraschallgasströmungsmesser | ||
anpassbar | |||
Schutzlevel | IP68 | ||
Gewicht | 14g ± 5% | ||
Verkabelungsanleitungen | integratED -Typ:Rot+,Weiß-,Schwarz: Schützer Draht | ||
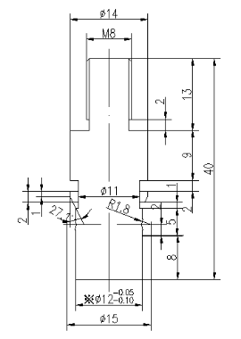
Zulassungskurve | Produktstrukturdiagramm | ||
| | ||
Anpassbarer Ultraschall -Rangetransducer für Ultraschallgasströmungsmeter
Artikel | Technische Parameter | Bild | |
Name | 200kHz Ultraschallwandler |
| |
Modell | PHAL-200-01D | ||
Aktiver Zonendurchmesser | 10 mm | ||
Frequenz | 200KHz ±5% | ||
Erkennungsabstand | 0.10~1,5 m | ||
Minimum Parallele Lmpedanz | 1200Ω ± 20% | ||
| 380PF ± 20%@1kHz | ||
Empfindlichkeit | Spannung emittieren: 800VPP,Entfernung: 30cm,Empfangen und Ausgang Empfangssignal: 20 MV | ||
Gipfel Stromspannung<1000VPP | |||
-40~+80 ℃ | |||
| 16Kilos oder1,6 MPA | ||
(Strahlbreite) Halbkraftstrahlbreite@-3db: 10° ± 2 Spitzer Winkel:23 ° ± 4 | |||
Gehäuse Material | Es kann in starker Säure- und Alkali -Umgebung verwendet werden(Ti) | ||
Verwendungszweck | Ultraschallgasströmungsmesser | ||
anpassbar | |||
Schutzlevel | IP68 | ||
Gewicht | 14g ± 5% | ||
Verkabelungsanleitungen | integratED -Typ:Rot+,Weiß-,Schwarz: Schützer Draht | ||
Zulassungskurve | Produktstrukturdiagramm | ||
| | ||