| Verfügbarkeitsstatus: | |
|---|---|
| Menge: | |
PHA-70-03B
Piezohannas
PHA-70-03B
70 -kHz -Ultraschallwandler -Entfernungsmessung für Pegelsensor
Technische Parameter:
Artikel | Technische Parameter | Bild | |
Name | 70 kHz Ultraschallwandler |
| |
Modell | PHA-70-03B | ||
Frequenz | 70kHz ±5% | ||
Erkennungsabstand | 0.2~4m | ||
Minimale parallele Lmpedanz | 500Ω ± 20% | ||
900PF ± 20%@1kHz | |||
Empfindlichkeit | Keine Last dRauchenvOltage: 500VPP,Distanz:0.6m、Echoamplitude:50MV | ||
Gipfel Stromspannung<800VPP | |||
-40~+80 ℃ | |||
≤3Kilos oder 0.3MPA | |||
(Strahlbreite) Halbkraftstrahlbreite@-3db:10° ±10%, Spitzer Winkel:23° ±10% | |||
Wohnmaterial | Pom | ||
Verwendungszweck | Ultraschallstufe, Überwachung, Antikollision, Sicherheit | ||
Schutzlevel | IP68 | ||
Gewicht | 50g ± 5% ((Kabellänge:20cm) | ||
Verkabelungsanleitungen | Schnittstelle: Rot: Wandler +, Weiß: Wandler -, Schwarz: abgeschirmter Draht, (Temperatursensores ist optional) | ||
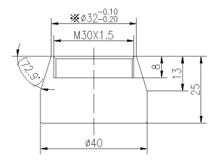
Zulassungskurve | Produktstrukturdiagramm | ||
| |||
Blockendiagramm des Ultraschallabstandswandlers :
Schematisches Diagramm des Temperatursensors (Modell: MF58_502F3470):
Kabelbefehl integrierter Typ:
1. Verdrahtanweisungen des Wandlers: Schnittstelle (3Pin, 2,54 mm Klemme)
Rot: Wandler +
Weiß: Wandler -
Schwarz: Abschirmung
2. Kennbare Anweisung des Temperatursensors: Grenzfläche (3 Pin, 2,0 mm Klemme)
Rot und Schwarz sind Temperatursensorverdrahtung
Splitstyp: Standard -10 -m -Kabel, mit jedem weiteren 50 m Kabel, die Signalschwächung beträgt 6 dB
Drei-Kern-Verkabelungsanweisungen:
Rot: Wandler +
Blau: Temperatursensor +
Schwarz: öffentlich-
Vier-Kern-Verkabelungsanweisungen:
Rot: Wandler +
Gelb: Wandler-
Blau, Schwarz: Temperatursensor
Was geht in die Herstellung eines Wandlers ein?
Die Hauptkomponente eines Tiefenwandlers ist das piezoceramische Element. Es ist der Teil, der elektrische Impulse in Schallwellen umwandelt, und wann der Echoes kehren zurück, das Piezoceramic -Element wandelt die Schallwellen wieder in elektrische Energie um. Piezoceramic -Elemente sind am häufigsten in einer Festplattenform, aber sie können auch in Form eines Balkens oder eines Rings in Form sein. Ein Wandler kann ein Element oder eine Reihe von Elementen enthalten, die mit einem Array bezeichnet werden. EIN Der Wandler besteht aus sechs separaten Komponenten:
In nicht kontakten Ultraschall Levelmessung emittiert der Sensor Ultraschallimpulse in Richtung des Mediums, was sie dann zurück widerspiegelt. Die verstrichene Zeit von der Emission bis zur Empfang der Signale ist proportional zum Niveau im Tank. Ultraschallsensoren sind ideal für einfache Standardanwendungen für beide für Flüssigkeiten und für Festkörper.
70 -kHz -Ultraschallwandler -Entfernungsmessung für Pegelsensor
Technische Parameter:
Artikel | Technische Parameter | Bild | |
Name | 70 kHz Ultraschallwandler |
| |
Modell | PHA-70-03B | ||
Frequenz | 70kHz ±5% | ||
Erkennungsabstand | 0.2~4m | ||
Minimale parallele Lmpedanz | 500Ω ± 20% | ||
900PF ± 20%@1kHz | |||
Empfindlichkeit | Keine Last dRauchenvOltage: 500VPP,Distanz:0.6m、Echoamplitude:50MV | ||
Gipfel Stromspannung<800VPP | |||
-40~+80 ℃ | |||
≤3Kilos oder 0.3MPA | |||
(Strahlbreite) Halbkraftstrahlbreite@-3db:10° ±10%, Spitzer Winkel:23° ±10% | |||
Wohnmaterial | Pom | ||
Verwendungszweck | Ultraschallstufe, Überwachung, Antikollision, Sicherheit | ||
Schutzlevel | IP68 | ||
Gewicht | 50g ± 5% ((Kabellänge:20cm) | ||
Verkabelungsanleitungen | Schnittstelle: Rot: Wandler +, Weiß: Wandler -, Schwarz: abgeschirmter Draht, (Temperatursensores ist optional) | ||
Zulassungskurve | Produktstrukturdiagramm | ||
| |||
Blockendiagramm des Ultraschallabstandswandlers :
Schematisches Diagramm des Temperatursensors (Modell: MF58_502F3470):
Kabelbefehl integrierter Typ:
1. Verdrahtanweisungen des Wandlers: Schnittstelle (3Pin, 2,54 mm Klemme)
Rot: Wandler +
Weiß: Wandler -
Schwarz: Abschirmung
2. Kennbare Anweisung des Temperatursensors: Grenzfläche (3 Pin, 2,0 mm Klemme)
Rot und Schwarz sind Temperatursensorverdrahtung
Splitstyp: Standard -10 -m -Kabel, mit jedem weiteren 50 m Kabel, die Signalschwächung beträgt 6 dB
Drei-Kern-Verkabelungsanweisungen:
Rot: Wandler +
Blau: Temperatursensor +
Schwarz: öffentlich-
Vier-Kern-Verkabelungsanweisungen:
Rot: Wandler +
Gelb: Wandler-
Blau, Schwarz: Temperatursensor
Was geht in die Herstellung eines Wandlers ein?
Die Hauptkomponente eines Tiefenwandlers ist das piezoceramische Element. Es ist der Teil, der elektrische Impulse in Schallwellen umwandelt, und wann der Echoes kehren zurück, das Piezoceramic -Element wandelt die Schallwellen wieder in elektrische Energie um. Piezoceramic -Elemente sind am häufigsten in einer Festplattenform, aber sie können auch in Form eines Balkens oder eines Rings in Form sein. Ein Wandler kann ein Element oder eine Reihe von Elementen enthalten, die mit einem Array bezeichnet werden. EIN Der Wandler besteht aus sechs separaten Komponenten:
In nicht kontakten Ultraschall Levelmessung emittiert der Sensor Ultraschallimpulse in Richtung des Mediums, was sie dann zurück widerspiegelt. Die verstrichene Zeit von der Emission bis zur Empfang der Signale ist proportional zum Niveau im Tank. Ultraschallsensoren sind ideal für einfache Standardanwendungen für beide für Flüssigkeiten und für Festkörper.