| Verfügbarkeitsstatus: | |
|---|---|
| Menge: | |
PHA-49-08HC
Piezohannas
PHA-49-08HC
50 kHz Ultraschallbereichsmessung für Ultraschallbereiche für Ultraschall -Entfernungsmesserfinder
Technische Parameter:
Artikel | Technische Parameter | Bild | |
Name | 49 kHz Ultraschallwandler |
| |
Modell | PHA-49-08HC | ||
Frequenz | 50 ± 2 kHz | ||
Erkennungsabstand | 0.25~6m | ||
Minimale parallele Lmpedanz | 200Ω ± 20% | ||
4000PF ± 20%@1kHz | |||
Empfindlichkeit | Keine Last dRebendspannung:500VPP,Distanz:0.6m、Echoamplitude:180MV | ||
Gipfel Stromspannung<750VPP | |||
-40~+80 ℃ | |||
≤3Kilos oder0,3 MPa | |||
(Strahlbreite) Halbkraftstrahlbreite@-3db: 9 ° ±10%, Spitzer Winkel:21 ° ±10% | |||
Wohnmaterial | Abs | ||
Verwendungszweck | Ultraschallstufe, Ultraschall-Anti-Kollision, Ultraschall-Entfernungsmesser | ||
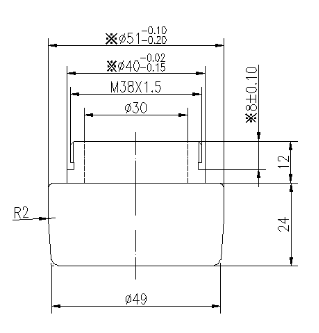
Überprüfen Sie das Produktstrukturdiagramm unten | |||
Schutzlevel | IP68 | ||
Gewicht | 95g ± 5% | ||
Verkabelungsanleitungen | Schnittstelle: Red Plus, weiße Minus, schwarzer Schilddraht; | ||
Zulassungskurve | Produktstrukturdiagramm | ||
| |||
Blockendiagramm des Ultraschallabstandswandlers :
Schematisches Diagramm des Temperatursensors (Modell: MF58_502F3470):
Kabelbefehl integrierter Typ:
1. Verdrahtanweisungen des Wandlers: Schnittstelle (3Pin, 2,54 mm Klemme)
Rot: Wandler +
Weiß: Wandler -
Schwarz: Abschirmung
2. Kennbare Anweisung des Temperatursensors: Grenzfläche (3 Pin, 2,0 mm Klemme)
Rot und Schwarz sind Temperatursensorverdrahtung
Splitstyp: Standard -10 -m -Kabel, mit jedem weiteren 50 m Kabel, die Signalschwächung beträgt 6 dB
Drei-Kern-Verkabelungsanweisungen:
Rot: Wandler +
Blau: Temperatursensor +
Schwarz: öffentlich-
Vier-Kern-Verkabelungsanweisungen:
Rot: Wandler +
Gelb: Wandler-
Blau, Schwarz: Temperatursensor
Was geht in die Herstellung eines Wandlers ein?
Die Hauptkomponente eines Tiefenwandlers ist das piezoceramische Element. Es ist der Teil, der elektrische Impulse in Schallwellen umwandelt, und wann der Echoes kehren zurück, das Piezoceramic -Element wandelt die Schallwellen wieder in elektrische Energie um. Piezoceramic -Elemente sind am häufigsten in einer Festplattenform, aber sie können auch in Form eines Balkens oder eines Rings in Form sein. Ein Wandler kann ein Element oder eine Reihe von Elementen enthalten, die mit einem Array bezeichnet werden. EIN Der Wandler besteht aus sechs separaten Komponenten:
Ultraschallbereichsfinder messen die Entfernung, indem sie einen Puls aus Ultraschallschall emittieren, der durch die Luft reist, bis er ein Objekt trifft. Wenn dieser Schallpuls eins trifft und Objekt wird vom Objekt reflektiert und reist zurück zum Ultraschallbereichsfinder. Der Ultraschallbereichsfinder misst wie lange misst Es braucht den Soundpuls, um auf seiner Round -Trip -Reise vom Sensor und zurück zu reisen. Anschließend sendet es ein Signal an den Arduino mit Informationen darüber, wie lange es dauerte, bis der Schallimpuls reisen kann.
Ultraschallbereichsfinder machen Spaß kleine Sensoren, die die Entfernung messen können. Sie können sie verwenden, um die Entfernung zu einem Objekt zu finden. oder zu erkennen, wann etwas in der Nähe ist Der Sensor wie ein Bewegungsdetektor. Sie sind Ideal für Projekte mit Navigation, Objektvermeidung und Sicherheit zu Hause. Weil sie Verwenden Sie Schall, um die Entfernung zu messen, Sie arbeiten genauso gut im Dunkeln wie im Licht. Dies kann Entfernungen von 2 cm bis zu 400 cm mit einer Genauigkeit von ± 3 mm messen.
50 kHz Ultraschallbereichsmessung für Ultraschallbereiche für Ultraschall -Entfernungsmesserfinder
Technische Parameter:
Artikel | Technische Parameter | Bild | |
Name | 49 kHz Ultraschallwandler |
| |
Modell | PHA-49-08HC | ||
Frequenz | 50 ± 2 kHz | ||
Erkennungsabstand | 0.25~6m | ||
Minimale parallele Lmpedanz | 200Ω ± 20% | ||
4000PF ± 20%@1kHz | |||
Empfindlichkeit | Keine Last dRebendspannung:500VPP,Distanz:0.6m、Echoamplitude:180MV | ||
Gipfel Stromspannung<750VPP | |||
-40~+80 ℃ | |||
≤3Kilos oder0,3 MPa | |||
(Strahlbreite) Halbkraftstrahlbreite@-3db: 9 ° ±10%, Spitzer Winkel:21 ° ±10% | |||
Wohnmaterial | Abs | ||
Verwendungszweck | Ultraschallstufe, Ultraschall-Anti-Kollision, Ultraschall-Entfernungsmesser | ||
Überprüfen Sie das Produktstrukturdiagramm unten | |||
Schutzlevel | IP68 | ||
Gewicht | 95g ± 5% | ||
Verkabelungsanleitungen | Schnittstelle: Red Plus, weiße Minus, schwarzer Schilddraht; | ||
Zulassungskurve | Produktstrukturdiagramm | ||
| |||
Blockendiagramm des Ultraschallabstandswandlers :
Schematisches Diagramm des Temperatursensors (Modell: MF58_502F3470):
Kabelbefehl integrierter Typ:
1. Verdrahtanweisungen des Wandlers: Schnittstelle (3Pin, 2,54 mm Klemme)
Rot: Wandler +
Weiß: Wandler -
Schwarz: Abschirmung
2. Kennbare Anweisung des Temperatursensors: Grenzfläche (3 Pin, 2,0 mm Klemme)
Rot und Schwarz sind Temperatursensorverdrahtung
Splitstyp: Standard -10 -m -Kabel, mit jedem weiteren 50 m Kabel, die Signalschwächung beträgt 6 dB
Drei-Kern-Verkabelungsanweisungen:
Rot: Wandler +
Blau: Temperatursensor +
Schwarz: öffentlich-
Vier-Kern-Verkabelungsanweisungen:
Rot: Wandler +
Gelb: Wandler-
Blau, Schwarz: Temperatursensor
Was geht in die Herstellung eines Wandlers ein?
Die Hauptkomponente eines Tiefenwandlers ist das piezoceramische Element. Es ist der Teil, der elektrische Impulse in Schallwellen umwandelt, und wann der Echoes kehren zurück, das Piezoceramic -Element wandelt die Schallwellen wieder in elektrische Energie um. Piezoceramic -Elemente sind am häufigsten in einer Festplattenform, aber sie können auch in Form eines Balkens oder eines Rings in Form sein. Ein Wandler kann ein Element oder eine Reihe von Elementen enthalten, die mit einem Array bezeichnet werden. EIN Der Wandler besteht aus sechs separaten Komponenten:
Ultraschallbereichsfinder messen die Entfernung, indem sie einen Puls aus Ultraschallschall emittieren, der durch die Luft reist, bis er ein Objekt trifft. Wenn dieser Schallpuls eins trifft und Objekt wird vom Objekt reflektiert und reist zurück zum Ultraschallbereichsfinder. Der Ultraschallbereichsfinder misst wie lange misst Es braucht den Soundpuls, um auf seiner Round -Trip -Reise vom Sensor und zurück zu reisen. Anschließend sendet es ein Signal an den Arduino mit Informationen darüber, wie lange es dauerte, bis der Schallimpuls reisen kann.
Ultraschallbereichsfinder machen Spaß kleine Sensoren, die die Entfernung messen können. Sie können sie verwenden, um die Entfernung zu einem Objekt zu finden. oder zu erkennen, wann etwas in der Nähe ist Der Sensor wie ein Bewegungsdetektor. Sie sind Ideal für Projekte mit Navigation, Objektvermeidung und Sicherheit zu Hause. Weil sie Verwenden Sie Schall, um die Entfernung zu messen, Sie arbeiten genauso gut im Dunkeln wie im Licht. Dies kann Entfernungen von 2 cm bis zu 400 cm mit einer Genauigkeit von ± 3 mm messen.