| Verfügbarkeitsstatus: | |
|---|---|
| Menge: | |
PHA-200-01I
Piezohannas
PHA-200-01I
Titanlegierung 200 kHz Ultraschallwandler für Ultraschallgasströmungsmesser
Technische Parameter:
Artikel | Technische Parameter | Bild | |
Name | 200kHz Ultraschallwandler | | |
Modell | PHA-200-01i | ||
Frequenz | 200 kHz ±5% | ||
Erkennungsabstand | 0.10~1,5 m | ||
Minimum Parallele Lmpedanz | 1900 Ω ± 20% | ||
320PF ± 20%@1kHz | |||
Empfindlichkeit | Fahrspannung:800VPP,Distanz:0,3 m, Echoamplitude:MV | ||
Gipfel Stromspannung<1000VPP | |||
-40~+80 ℃ | |||
≤ 16 kilos oder 1,6 MPA | |||
| (Strahlbreite) Halbleistungstrahlbreite bei -3 dB: 6 ° ±10%, Scharfen Winkel: 15 ° ±10% | ||
Gehäuse Material | Titanlegierung | ||
Verwendungszweck | Ultraschallgasströmung | ||
Schutzlevel | IP68 | ||
Gewicht | 32g ± 5% ((Länge:20 cm) | ||
Verkabelungsanweisung | Integrierte Schnittstelle:Rot+,Weiß-,Schwarz: Schützer Draht ( Temperatursensor ist optional) | ||
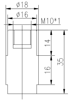
Zulassungskurve | Produktstrukturdiagramm | ||
| | ||
Blockendiagramm des Ultraschallabstandswandlers :
Schematisches Diagramm des Temperatursensors (Modell: MF58_502F3470):
Kabelbefehl integrierter Typ:
1. Verdrahtanweisungen des Wandlers: Schnittstelle (3Pin, 2,54 mm Klemme)
Rot: Wandler +
Weiß: Wandler -
Schwarz: Abschirmung
2. Kennbare Anweisung des Temperatursensors: Grenzfläche (3 Pin, 2,0 mm Klemme)
Rot und Schwarz sind Temperatursensorverdrahtung
Splitstyp: Standard -10 -m -Kabel, mit jedem weiteren 50 m Kabel, die Signalschwächung beträgt 6 dB
Drei-Kern-Verkabelungsanweisungen:
Rot: Wandler +
Blau: Temperatursensor +
Schwarz: öffentlich-
Vier-Kern-Verkabelungsanweisungen:
Rot: Wandler +
Gelb: Wandler-
Blau, Schwarz: Temperatursensor
Bewerbung für Ultraschallgasflussmeter:
Obwohl Industriegasströmungsmesser für Flüssigkeits- und Wasseranwendungen häufig verwendet werden, wurde seit langem anerkannt, dass die Klemme der Gasdurchflussmeter -Technologie nicht auf die Messmessung von Massengasanlagen angewendet werden konnte, die hauptsächlich auf grundlegende theoretische Messgrenzen zurückzuführen sind. Die übertragene Schallenergie wird von herkömmlichen Ultraschallwandlern empfangen. Fortschritte in der Klemme zur Messung der Gasflussmessung und der Verarbeitung haben jedoch dazu geführt, dass trotz niedrigerer akustischer Impedanzniveaus und höheren Dämpfungsniveaus bei den meisten Gasen eine Klemme des Gasströmungsmessers jetzt die Transitzeiten in Gasen messen kann niedrig. Es ist nun möglich, Erdgas, Dampf, Druckluft, Wasserstoff, Druckluft und vieles mehr zu messen, die die Klemme auf den Durchflussmesser verwenden. Eine Klemme auf Ultraschallgasströmungsmesser erzeugt Signale, die fünf- bis zehnmal leistungsfähiger sind als die der herkömmlichen Ultraschallwandler . Die neue Klemme für Wandler erzeugt saubere, codierte Signale mit sehr minimalem Hintergrundgeräusch. Das Ergebnis ist, dass eine Klemme des Gasströmungsmessers jetzt auch bei Gasanwendungen mit niedriger Dichte eine optimale Leistung liefern kann.
Titanlegierung 200 kHz Ultraschallwandler für Ultraschallgasströmungsmesser
Technische Parameter:
Artikel | Technische Parameter | Bild | |
Name | 200kHz Ultraschallwandler | | |
Modell | PHA-200-01i | ||
Frequenz | 200 kHz ±5% | ||
Erkennungsabstand | 0.10~1,5 m | ||
Minimum Parallele Lmpedanz | 1900 Ω ± 20% | ||
320PF ± 20%@1kHz | |||
Empfindlichkeit | Fahrspannung:800VPP,Distanz:0,3 m, Echoamplitude:MV | ||
Gipfel Stromspannung<1000VPP | |||
-40~+80 ℃ | |||
≤ 16 kilos oder 1,6 MPA | |||
| (Strahlbreite) Halbleistungstrahlbreite bei -3 dB: 6 ° ±10%, Scharfen Winkel: 15 ° ±10% | ||
Gehäuse Material | Titanlegierung | ||
Verwendungszweck | Ultraschallgasströmung | ||
Schutzlevel | IP68 | ||
Gewicht | 32g ± 5% ((Länge:20 cm) | ||
Verkabelungsanweisung | Integrierte Schnittstelle:Rot+,Weiß-,Schwarz: Schützer Draht ( Temperatursensor ist optional) | ||
Zulassungskurve | Produktstrukturdiagramm | ||
| | ||
Blockendiagramm des Ultraschallabstandswandlers :
Schematisches Diagramm des Temperatursensors (Modell: MF58_502F3470):
Kabelbefehl integrierter Typ:
1. Verdrahtanweisungen des Wandlers: Schnittstelle (3Pin, 2,54 mm Klemme)
Rot: Wandler +
Weiß: Wandler -
Schwarz: Abschirmung
2. Kennbare Anweisung des Temperatursensors: Grenzfläche (3 Pin, 2,0 mm Klemme)
Rot und Schwarz sind Temperatursensorverdrahtung
Splitstyp: Standard -10 -m -Kabel, mit jedem weiteren 50 m Kabel, die Signalschwächung beträgt 6 dB
Drei-Kern-Verkabelungsanweisungen:
Rot: Wandler +
Blau: Temperatursensor +
Schwarz: öffentlich-
Vier-Kern-Verkabelungsanweisungen:
Rot: Wandler +
Gelb: Wandler-
Blau, Schwarz: Temperatursensor
Bewerbung für Ultraschallgasflussmeter:
Obwohl Industriegasströmungsmesser für Flüssigkeits- und Wasseranwendungen häufig verwendet werden, wurde seit langem anerkannt, dass die Klemme der Gasdurchflussmeter -Technologie nicht auf die Messmessung von Massengasanlagen angewendet werden konnte, die hauptsächlich auf grundlegende theoretische Messgrenzen zurückzuführen sind. Die übertragene Schallenergie wird von herkömmlichen Ultraschallwandlern empfangen. Fortschritte in der Klemme zur Messung der Gasflussmessung und der Verarbeitung haben jedoch dazu geführt, dass trotz niedrigerer akustischer Impedanzniveaus und höheren Dämpfungsniveaus bei den meisten Gasen eine Klemme des Gasströmungsmessers jetzt die Transitzeiten in Gasen messen kann niedrig. Es ist nun möglich, Erdgas, Dampf, Druckluft, Wasserstoff, Druckluft und vieles mehr zu messen, die die Klemme auf den Durchflussmesser verwenden. Eine Klemme auf Ultraschallgasströmungsmesser erzeugt Signale, die fünf- bis zehnmal leistungsfähiger sind als die der herkömmlichen Ultraschallwandler . Die neue Klemme für Wandler erzeugt saubere, codierte Signale mit sehr minimalem Hintergrundgeräusch. Das Ergebnis ist, dass eine Klemme des Gasströmungsmessers jetzt auch bei Gasanwendungen mit niedriger Dichte eine optimale Leistung liefern kann.