| Verfügbarkeitsstatus: | |
|---|---|
| Menge: | |
Phal-200-01LC
Piezohannas
PHAL-200-01LC
Edelstahl 200 kHz Ultraschallwandler für Ultraschallmesser
Technische Parameter:
Artikel | Technische Parameter | Bild | |
Name | 200kHz Ultraschallwandler |
| |
Modell | PHAL-200-01LC | ||
Frequenz | 200kHz ±5% | ||
Erkennungsabstand | 0.10~1,5 m | ||
Minimale parallele Lmpedanz | 1800Ω ± 20% | ||
470PF ± 20%@1kHz | |||
Empfindlichkeit | Last dRauchenvOltage:800VPP,Distanz:0,3 m, Echoamplitude: 10MV | ||
Gipfel Stromspannung<1000VPP | |||
-40~+80 ℃ | |||
≤3Kilos oder 0.3MPA | |||
(Strahlbreite) Halbleistungstrahlbreite bei -3db:8.7° ±10%, Spitzer Winkel:20.5° ±10% | |||
Wohnmaterial | 304 | ||
Schutzlevel | IP68 | ||
Gewicht | 9g ± 5% ((Kabellänge:12cm) | ||
Verkabelungsanleitungen | Schnittstelle: Rot: Wandler +, Weiß: Wandler -, Schwarz: Abgeschirmtes Draht, (Temperatursensor ist optional) | ||
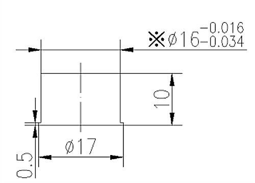
Zulassungskurve | Produktstrukturdiagramm | ||
|
| ||
Blockendiagramm des Ultraschallabstandswandlers :
Schematisches Diagramm des Temperatursensors (Modell: MF58_502F3470):
Kabelbefehl integrierter Typ:
1. Verdrahtanweisungen des Wandlers: Schnittstelle (3Pin, 2,54 mm Klemme)
Rot: Wandler +
Weiß: Wandler -
Schwarz: Abschirmung
2. Kennbare Anweisung des Temperatursensors: Grenzfläche (3 Pin, 2,0 mm Klemme)
Rot und Schwarz sind Temperatursensorverdrahtung
Splitstyp: Standard -10 -m -Kabel, mit jedem weiteren 50 m Kabel, die Signalschwächung beträgt 6 dB
Drei-Kern-Verkabelungsanweisungen:
Rot: Wandler +
Blau: Temperatursensor +
Schwarz: öffentlich-
Vier-Kern-Verkabelungsanweisungen:
Rot: Wandler +
Gelb: Wandler-
Blau, Schwarz: Temperatursensor
Bewerbung für Ultraschallgasflussmeter:
Industriell Gasströmungsmesser Für Flüssigkeits- und Wasseranwendungen werden weit verbreitet, es ist seit langem akzeptiert, dass die Klemme der Gasdurchflussmeter -Technologie nicht auf die Messmessung des Massengasstroms angewendet werden konnte, die hauptsächlich auf grundlegende theoretische Messgrenzen zurückzuführen sind. Die übertragene Schallenergie wird von herkömmlichen Ultraschallwandlern empfangen. Fortschritte in der Klemme zur Messung der Gasflussmessung und der Verarbeitung haben jedoch dazu geführt, dass trotz niedrigerer akustischer Impedanzniveaus und höheren Dämpfungsniveaus bei den meisten Gasen eine Klemme des Gasströmungsmessers jetzt die Transitzeiten in Gasen messen kann niedrig. Es ist jetzt möglich zu messen Erdgas, Dampf, Pressluft, Wasserstoff, Pressluft und vieles mehr mit Klemme auf Flussmesser.
Produktionsabteilung :
Edelstahl 200 kHz Ultraschallwandler für Ultraschallmesser
Technische Parameter:
Artikel | Technische Parameter | Bild | |
Name | 200kHz Ultraschallwandler |
| |
Modell | PHAL-200-01LC | ||
Frequenz | 200kHz ±5% | ||
Erkennungsabstand | 0.10~1,5 m | ||
Minimale parallele Lmpedanz | 1800Ω ± 20% | ||
470PF ± 20%@1kHz | |||
Empfindlichkeit | Last dRauchenvOltage:800VPP,Distanz:0,3 m, Echoamplitude: 10MV | ||
Gipfel Stromspannung<1000VPP | |||
-40~+80 ℃ | |||
≤3Kilos oder 0.3MPA | |||
(Strahlbreite) Halbleistungstrahlbreite bei -3db:8.7° ±10%, Spitzer Winkel:20.5° ±10% | |||
Wohnmaterial | 304 | ||
Schutzlevel | IP68 | ||
Gewicht | 9g ± 5% ((Kabellänge:12cm) | ||
Verkabelungsanleitungen | Schnittstelle: Rot: Wandler +, Weiß: Wandler -, Schwarz: Abgeschirmtes Draht, (Temperatursensor ist optional) | ||
Zulassungskurve | Produktstrukturdiagramm | ||
|
| ||
Blockendiagramm des Ultraschallabstandswandlers :
Schematisches Diagramm des Temperatursensors (Modell: MF58_502F3470):
Kabelbefehl integrierter Typ:
1. Verdrahtanweisungen des Wandlers: Schnittstelle (3Pin, 2,54 mm Klemme)
Rot: Wandler +
Weiß: Wandler -
Schwarz: Abschirmung
2. Kennbare Anweisung des Temperatursensors: Grenzfläche (3 Pin, 2,0 mm Klemme)
Rot und Schwarz sind Temperatursensorverdrahtung
Splitstyp: Standard -10 -m -Kabel, mit jedem weiteren 50 m Kabel, die Signalschwächung beträgt 6 dB
Drei-Kern-Verkabelungsanweisungen:
Rot: Wandler +
Blau: Temperatursensor +
Schwarz: öffentlich-
Vier-Kern-Verkabelungsanweisungen:
Rot: Wandler +
Gelb: Wandler-
Blau, Schwarz: Temperatursensor
Bewerbung für Ultraschallgasflussmeter:
Industriell Gasströmungsmesser Für Flüssigkeits- und Wasseranwendungen werden weit verbreitet, es ist seit langem akzeptiert, dass die Klemme der Gasdurchflussmeter -Technologie nicht auf die Messmessung des Massengasstroms angewendet werden konnte, die hauptsächlich auf grundlegende theoretische Messgrenzen zurückzuführen sind. Die übertragene Schallenergie wird von herkömmlichen Ultraschallwandlern empfangen. Fortschritte in der Klemme zur Messung der Gasflussmessung und der Verarbeitung haben jedoch dazu geführt, dass trotz niedrigerer akustischer Impedanzniveaus und höheren Dämpfungsniveaus bei den meisten Gasen eine Klemme des Gasströmungsmessers jetzt die Transitzeiten in Gasen messen kann niedrig. Es ist jetzt möglich zu messen Erdgas, Dampf, Pressluft, Wasserstoff, Pressluft und vieles mehr mit Klemme auf Flussmesser.
Produktionsabteilung :