Piezo Hannas (WuHan) Tech Co,.Ltd .- Professioneller Piezoceramic Elements Lieferant
Produkte
Sie sind hier: Heim / Produkte / Ultraschallwandler / Wandler für Distanz / 105-kHz-Ultraschall-Abstandssensor mit kurzer Reichweite für Ultraschall-Füllstandsmessgeräte
Hochfrequenz Großhandelsprodukte für Hersteller und Fabriken:

Produktkategorie

Feedback

loading

Anteil an:
sharethis sharing button

105-kHz-Ultraschall-Abstandssensor mit kurzer Reichweite für Ultraschall-Füllstandsmessgeräte

105 kHz | 9 ° | 0,3 ~ 3m | Wird für Ultraschallstufe, Ultraschallwandler verwendet
Verfügbarkeitsstatus:
Menge:
  • PHA-105-03D

  • Piezohannas

  • PHA-105-03D

             105 -kHz -Ultraschallabstandssensor für Ultraschallspiegel für Ultraschallstufe



Technische Parameter:


Artikel

Technische Parameter

Bild

Name

105 kHz Ultraschallwandler D. Typ

 

 

 

6g@si)) t6gl7s ({[7b6rr  

Modell

PHA-105-03D 

Frequenz

105 kHz ± 5%

Erkennungsabstand

0.153m

Minimum

Parallele Lmpedanz

450 Ω ± 20

Kapazität

1700pf ± 20@1kHz

 

Empfindlichkeit

Fahrspannung : 800 VPP , Entfernung: 0,6 m ,

Echoamplitude: 200mV

Betriebs

Stromspannung

Gipfel  Stromspannung1000 VPP

Betriebs

Temperatur

-40+80 ℃

Druck

≤3Kilos oder 0,3 MPa

 

Winkel

(Strahlbreite)Halbleistungstrahlbreite bei -3 dB: 8 ° ± 2 ,

Scharfen Winkel: 18 ° ± 3

Gehäuse Material

Pom

 

Verwendungszweck

Ultraschall  eben  Messgerät,Ultraschall  Transducähm  

Installation

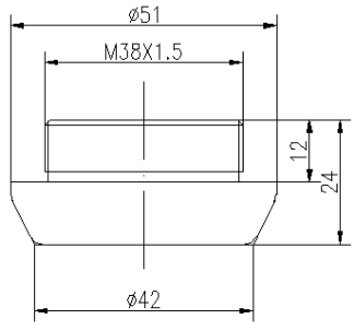
Abmessungen

Faden:M38*1,5

Schutzlevel

IP68

Gewicht

44g ± 5

Verkabelungsanleitungen

Integrierter Typ:: rot+, weiß- , Schwarz: Abgeschirmtes Draht (Temperatursensor ist optional)

Zulassungskurve

Produktstrukturdiagramm

 

 

EL9) 1m%VRBWS $ MLFP@%__ 2y  

   0DDP7RBTCREZ6 $ W@X0 $ N4EF


BlockDiagramm des Ultraschalldehnungswandlers :


0RYJG8D (6_Q9XM%86PDG

 

Schematisches Diagramm des Temperatursensors:


O3`1PA5YR5%Z5'DQ1R


Integriert Geben Sie die Kabelanweisung ein: 

1. Verdrahtanweisungen des Wandlers: Schnittstelle (3Pin, 2,54 mm Klemme)

Rot: Wandler +     

Weiß: Wandler -         

Schwarz: Abschirmung

_SE3ZWY9UEOQPOKBEH (e

Vorherige: 
Nächste: 

heiße Produkte

Piezo Hannas (WuHan) Tech Co,.Ltd ist eine professionelle piezoelektrische Keramik- und Ultraschallwandlerhersteller, die sich Ultraschalltechnologie und industriellen Anwendungen widmet.

EMPFEHLEN

KONTAKTIERE UNS

Hinzufügen: Nr. 456 Wu Luo Road, Wuchang District, Wuhan City, Provinz Hubei, China.
Email:sales@piezohannas.com
Tel: +86 27 84898868
Telefon: +86 +18986196674
QQ: 1553242848
Skype: Live: Mary_14398
Copyright 2017  Piezo Hannas (WuHan) Tech Co,.Ltd.All rights reserved.
Produkte