| Verfügbarkeitsstatus: | |
|---|---|
| Menge: | |
PHW-1M-W
Piezohannas
PHW-1M-W
Hohe Qualität 1 MHz Ultraschallwandler für die 3M -Tiefenmessung
1. Einführung
UNderwasser -SounderWandler Verwendet Ultraschallwellen zu Übertragungen Unterwasser und reflektiert, wenn sie messen ein gemessenes Objekt treffen. Es kann erkennen Abstand zwischen dem Sensor und dem gemessenen Objekt und dann Übertragung Zu Schiffen, Bojen, unter Wasser unbemannten Luftfahrzeugen usw. als Tiefenschallanlage kann es auch zur Messung der Unterwasserentfernung verwendet werden.
Das Produktschutzniveau erreicht das IP68 -Niveau und kann für eine lange Zeit unter Wasser getränkt werden 100 Meter ohne Schaden.(Beachten Sie, dass der Kabelleteil des Instruments nach der Verkabelung zuverlässig versiegelt werden muss, um Wasser zu vermeiden.)
2. Technische Parameter:
Artikel | Technische Parameter | Bild | |
Name | 1MHzUnterwasser -Ultraschall Wandler |
| |
Modell | PHW-1m-w | ||
Frequenz | 1mHz±5% | ||
Erkennungsabstand | 0.10~3,0 m | ||
Minimum Parallele Lmpedanz | 15Ω ± 20% | ||
2500PF ± 20%@1kHz | |||
Empfindlichkeit | Fahrspannung: 24 VPP 、 Entfernung: 0,3 m 、 Echoamplitude: 2.0 V | ||
Gipfel Stromspannung< 300 VPP | |||
-10~+50 ℃ | |||
5MPA | |||
| (Strahlbreite) Halbleistungstrahlbreite bei -3 dB: 3,0 ° ± 0,5 , Scharfen Winkel: 7,0 ° ± 1 | ||
Gehäuse Material | 316 | ||
Verwendungszweck | U -Boot -Reichweite Finder | ||
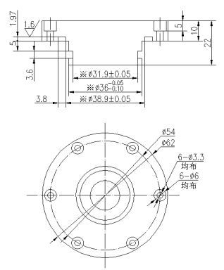
Siehe die Produktstrukturzeichnung | |||
Schutzlevel | IP68 | ||
Gewicht | 270g ± 5% ((LEngles:1m) | ||
Verkabelungsanleitungen | Rot+, weiß- ; Gelb weiss:daszweiStangen von MF58 Thermorezeptor ; | ||
Zulassungskurve | Produktstrukturdiagramm | ||
| |||
3. Temperatursensorschema -Diagramm des Wandlers, Testkreisschemasdiagramms
Hohe Qualität 1 MHz Ultraschallwandler für die 3M -Tiefenmessung
1. Einführung
UNderwasser -SounderWandler Verwendet Ultraschallwellen zu Übertragungen Unterwasser und reflektiert, wenn sie messen ein gemessenes Objekt treffen. Es kann erkennen Abstand zwischen dem Sensor und dem gemessenen Objekt und dann Übertragung Zu Schiffen, Bojen, unter Wasser unbemannten Luftfahrzeugen usw. als Tiefenschallanlage kann es auch zur Messung der Unterwasserentfernung verwendet werden.
Das Produktschutzniveau erreicht das IP68 -Niveau und kann für eine lange Zeit unter Wasser getränkt werden 100 Meter ohne Schaden.(Beachten Sie, dass der Kabelleteil des Instruments nach der Verkabelung zuverlässig versiegelt werden muss, um Wasser zu vermeiden.)
2. Technische Parameter:
Artikel | Technische Parameter | Bild | |
Name | 1MHzUnterwasser -Ultraschall Wandler |
| |
Modell | PHW-1m-w | ||
Frequenz | 1mHz±5% | ||
Erkennungsabstand | 0.10~3,0 m | ||
Minimum Parallele Lmpedanz | 15Ω ± 20% | ||
2500PF ± 20%@1kHz | |||
Empfindlichkeit | Fahrspannung: 24 VPP 、 Entfernung: 0,3 m 、 Echoamplitude: 2.0 V | ||
Gipfel Stromspannung< 300 VPP | |||
-10~+50 ℃ | |||
5MPA | |||
| (Strahlbreite) Halbleistungstrahlbreite bei -3 dB: 3,0 ° ± 0,5 , Scharfen Winkel: 7,0 ° ± 1 | ||
Gehäuse Material | 316 | ||
Verwendungszweck | U -Boot -Reichweite Finder | ||
Siehe die Produktstrukturzeichnung | |||
Schutzlevel | IP68 | ||
Gewicht | 270g ± 5% ((LEngles:1m) | ||
Verkabelungsanleitungen | Rot+, weiß- ; Gelb weiss:daszweiStangen von MF58 Thermorezeptor ; | ||
Zulassungskurve | Produktstrukturdiagramm | ||
| |||
3. Temperatursensorschema -Diagramm des Wandlers, Testkreisschemasdiagramms