Elektrostatischer Ultraschall -Messsensor mit hoher Leistung
Rangierungsmethode für unbemannte Luftfahrzeuge mit Ultraschallwandler ausgestattet
Das Prinzip der Drohnen -Technologie und die Ultraschall -Fernstufe
Studie über akustische Eigenschaften des hochfrequenten medizinischen Ultraschallwandlers
| Verfügbarkeitsstatus: | |
|---|---|
| Menge: | |
PHA-200-01VF
Piezohannas
PHA-200-01VF
200 kHz Edelstahl -Ultraschallwandler für Ultraschallgasströmungsmesser
Artikel | Technische Parameter | Bild | |
Name | 200kHz Ultraschallwandler |
| |
Modell | PHA-200-01VF | ||
Frequenz | 200 kHz ±5% | ||
Erkennungsabstand | 0.10~1,5 m | ||
Minimum Parallele Lmpedanz | 1720 € ± 20% | ||
450PF ± 20%@1kHz | |||
Empfindlichkeit | Fahrspannung:800VPP,Distanz:0,3 m, Echoamplitude:40mv | ||
Gipfel Stromspannung<1000 VPP | |||
-40~+80 ℃ | |||
≤ 1Kilos oder 0,1 MPa | |||
| (Strahlbreite) Halbkraftstrahlbreite@-3db: 7 ° ± 2, Spitzer Winkel:16 ° ± 4 | ||
Gehäuse Material | rostfreier Stahl | ||
Verwendungszweck | AnemorumbOmeter, Gasdurchflussmesser | ||
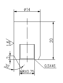
Siehe das Strukturdiagrammunter | |||
Schutzlevel | IP68 | ||
Gewicht | 14g ± 5% ((Länge:25 cm) | ||
Verkabelungsanleitungen | integratED -Typ:Rot+,Weiß-,Schwarz: Schützer Draht; Temperatursensor ist optional
| ||
Zulassungskurve | Produktstrukturdiagramm | ||
|
| ||
Blockdiagramm von uLtrasonischer Entfernungswandler :
Schematisches Diagramm des Temperatursensors:
Integriert Geben Sie die Kabelanweisung ein:
1. Verdrahtanweisungen des Wandlers: Schnittstelle (3Pin, 2,54 mm Klemme)
Rot: Wandler +
Weiß: Wandler -
Schwarz: Abschirmung
Anwendungzum Gasströmungsmesser
Industriell Gasströmungsmesser Für Flüssigkeits- und Wasseranwendungen werden weit verbreitet, es ist seit langem akzeptiert, dass die Klemme der Gasdurchflussmeter -Technologie nicht auf die Messmessung des Massengasstroms angewendet werden konnte, die hauptsächlich auf grundlegende theoretische Messgrenzen zurückzuführen sind. Die übertragene Schallenergie wird von herkömmlichen Ultraschallwandlern empfangen. Fortschritte in der Klemme zur Messung der Gasflussmessung und der Verarbeitung haben jedoch dazu geführt, dass trotz niedrigerer akustischer Impedanzniveaus und höheren Dämpfungsniveaus bei den meisten Gasen eine Klemme des Gasströmungsmessers jetzt die Transitzeiten in Gasen messen kann niedrig. Es ist jetzt möglich zu messen Erdgas, Dampf, Pressluft, Wasserstoff, Pressluft und vieles mehr mit Klemme auf Flussmesser.
200 kHz Edelstahl -Ultraschallwandler für Ultraschallgasströmungsmesser
Artikel | Technische Parameter | Bild | |
Name | 200kHz Ultraschallwandler |
| |
Modell | PHA-200-01VF | ||
Frequenz | 200 kHz ±5% | ||
Erkennungsabstand | 0.10~1,5 m | ||
Minimum Parallele Lmpedanz | 1720 € ± 20% | ||
450PF ± 20%@1kHz | |||
Empfindlichkeit | Fahrspannung:800VPP,Distanz:0,3 m, Echoamplitude:40mv | ||
Gipfel Stromspannung<1000 VPP | |||
-40~+80 ℃ | |||
≤ 1Kilos oder 0,1 MPa | |||
| (Strahlbreite) Halbkraftstrahlbreite@-3db: 7 ° ± 2, Spitzer Winkel:16 ° ± 4 | ||
Gehäuse Material | rostfreier Stahl | ||
Verwendungszweck | AnemorumbOmeter, Gasdurchflussmesser | ||
Siehe das Strukturdiagrammunter | |||
Schutzlevel | IP68 | ||
Gewicht | 14g ± 5% ((Länge:25 cm) | ||
Verkabelungsanleitungen | integratED -Typ:Rot+,Weiß-,Schwarz: Schützer Draht; Temperatursensor ist optional
| ||
Zulassungskurve | Produktstrukturdiagramm | ||
|
| ||
Blockdiagramm von uLtrasonischer Entfernungswandler :
Schematisches Diagramm des Temperatursensors:
Integriert Geben Sie die Kabelanweisung ein:
1. Verdrahtanweisungen des Wandlers: Schnittstelle (3Pin, 2,54 mm Klemme)
Rot: Wandler +
Weiß: Wandler -
Schwarz: Abschirmung
Anwendungzum Gasströmungsmesser
Industriell Gasströmungsmesser Für Flüssigkeits- und Wasseranwendungen werden weit verbreitet, es ist seit langem akzeptiert, dass die Klemme der Gasdurchflussmeter -Technologie nicht auf die Messmessung des Massengasstroms angewendet werden konnte, die hauptsächlich auf grundlegende theoretische Messgrenzen zurückzuführen sind. Die übertragene Schallenergie wird von herkömmlichen Ultraschallwandlern empfangen. Fortschritte in der Klemme zur Messung der Gasflussmessung und der Verarbeitung haben jedoch dazu geführt, dass trotz niedrigerer akustischer Impedanzniveaus und höheren Dämpfungsniveaus bei den meisten Gasen eine Klemme des Gasströmungsmessers jetzt die Transitzeiten in Gasen messen kann niedrig. Es ist jetzt möglich zu messen Erdgas, Dampf, Pressluft, Wasserstoff, Pressluft und vieles mehr mit Klemme auf Flussmesser.