| Verfügbarkeitsstatus: | |
|---|---|
| Menge: | |
PHW-1M-01VA
Piezohannas
PHW-1M-01VA
1 MHz Unterwasser -Ultraschallwandler für Ultraschalldurchflussmeter
Technische Parameter:
Artikel | Technische Parameter | Bild | |
Name | 1 MHz Unterwasser -Ultraschallwandler |
| |
Modell | PHW-1m-01va | ||
Frequenz | 1MHz ±5% | ||
Erkennungsabstand | 0.05~3m | ||
Minimale parallele Lmpedanz | 9Ω ± 20% | ||
3200PF ± 20%@1kHz | |||
Empfindlichkeit | dRauchenvOltage:24 v、Distanz:0.3m、Echoamplitude:3000 mv | ||
Gipfel Stromspannung<300VPP | |||
-40~+80 ℃ | |||
≤ 10Kilos oder 1mpa | |||
(Strahlbreite) Halbkraftstrahlbreite@-3db:1.8° ±10%, Spitzer Winkel:4.4° ±10% | |||
Wohnmaterial | Verbundwerkstoff | ||
Verwendungszweck | Durchflussrate, Rate | ||
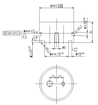
Weitere Informationen finden Sie unter Produktstrukturzeichnung | |||
Schutzlevel | IP68 | ||
Gewicht | 80g ± 5% ((Kabellänge:30cm) | ||
Verkabelungsanleitungen | Weiß: Wandler +, Schwarz: Wandler -, Schilddraht; ( Temperatursensor es ist optional) | ||
Zulassungskurve | Produktstrukturdiagramm | ||
| |||
Blockdiagramm des Ultraschallwandlers :
Schematisches Diagramm des Temperatursensors (Modell: MF58_502F3470):
Kabelbefehl integrierter Typ:
1. Verdrahtanweisungen des Wandlers: Schnittstelle (3Pin, 2,54 mm Klemme)
Rot: Wandler +
Weiß: Wandler -
Schwarz: Abschirmung
2. Kennbare Anweisung des Temperatursensors: Grenzfläche (3 Pin, 2,0 mm Klemme)
Rot und Schwarz sind Temperatursensorverdrahtung
Splitstyp: Standard -10 -m -Kabel, mit jedem weiteren 50 m Kabel, die Signalschwächung beträgt 6 dB
Drei-Kern-Verkabelungsanweisungen:
Rot: Wandler +
Blau: Temperatursensor +
Schwarz: öffentlich-
Vier-Kern-Verkabelungsanweisungen:
Rot: Wandler +
Gelb: Wandler-
Blau, Schwarz: Temperatursensor
Ultraschallflussanwendung:
Ultraschallwasserströmungsmessgeräte messen die Geschwindigkeit der Flüssigkeit, die durch das Rohr durch das Rohr geleitet wird, um den volumetrischen Strömung zu messen. In einem Ultraschallflüssigkeitsströmungsmesser der Transitzeit wird ein Ultraschallsignal in Richtung des fließenden Flüssigkeit stromabwärts übertragen, und dann wird ein anderes Signal gegen das fließende Flüssigkeit stromaufwärts übertragen. In seiner grundlegendsten Form wird die Zeit, in der der Schallimpuls stromabwärts reise, mit der Zeit verglichen, in der der Impuls stromaufwärts reist. Unter Verwendung dieser Differentialzeit wird die Geschwindigkeit der folgenden Flüssigkeit berechnet. Anschließend berechnet der Messgerät die volumetrische Durchflussrate im Rohr mit dieser Flüssigkeitsgeschwindigkeit. Darüber hinaus kann die BTU -Energiemessung aus der volumetrischen Durchflussrate und der Temperaturdifferenz zwischen den heißen und kalten Beinen abgeleitet werden. Klemme-On-Ultraschallmeter können Wasser von außerhalb des Rohrs messen, indem Schallpulse durch die Rohrwände geschossen werden, wodurch die Flexibilität bei Anwendungen aufgetreten ist und sie für Wasserflussmessungen in großen Rohren geeignet sind.
Produktionsshow:
1 MHz Unterwasser -Ultraschallwandler für Ultraschalldurchflussmeter
Technische Parameter:
Artikel | Technische Parameter | Bild | |
Name | 1 MHz Unterwasser -Ultraschallwandler |
| |
Modell | PHW-1m-01va | ||
Frequenz | 1MHz ±5% | ||
Erkennungsabstand | 0.05~3m | ||
Minimale parallele Lmpedanz | 9Ω ± 20% | ||
3200PF ± 20%@1kHz | |||
Empfindlichkeit | dRauchenvOltage:24 v、Distanz:0.3m、Echoamplitude:3000 mv | ||
Gipfel Stromspannung<300VPP | |||
-40~+80 ℃ | |||
≤ 10Kilos oder 1mpa | |||
(Strahlbreite) Halbkraftstrahlbreite@-3db:1.8° ±10%, Spitzer Winkel:4.4° ±10% | |||
Wohnmaterial | Verbundwerkstoff | ||
Verwendungszweck | Durchflussrate, Rate | ||
Weitere Informationen finden Sie unter Produktstrukturzeichnung | |||
Schutzlevel | IP68 | ||
Gewicht | 80g ± 5% ((Kabellänge:30cm) | ||
Verkabelungsanleitungen | Weiß: Wandler +, Schwarz: Wandler -, Schilddraht; ( Temperatursensor es ist optional) | ||
Zulassungskurve | Produktstrukturdiagramm | ||
| |||
Blockdiagramm des Ultraschallwandlers :
Schematisches Diagramm des Temperatursensors (Modell: MF58_502F3470):
Kabelbefehl integrierter Typ:
1. Verdrahtanweisungen des Wandlers: Schnittstelle (3Pin, 2,54 mm Klemme)
Rot: Wandler +
Weiß: Wandler -
Schwarz: Abschirmung
2. Kennbare Anweisung des Temperatursensors: Grenzfläche (3 Pin, 2,0 mm Klemme)
Rot und Schwarz sind Temperatursensorverdrahtung
Splitstyp: Standard -10 -m -Kabel, mit jedem weiteren 50 m Kabel, die Signalschwächung beträgt 6 dB
Drei-Kern-Verkabelungsanweisungen:
Rot: Wandler +
Blau: Temperatursensor +
Schwarz: öffentlich-
Vier-Kern-Verkabelungsanweisungen:
Rot: Wandler +
Gelb: Wandler-
Blau, Schwarz: Temperatursensor
Ultraschallflussanwendung:
Ultraschallwasserströmungsmessgeräte messen die Geschwindigkeit der Flüssigkeit, die durch das Rohr durch das Rohr geleitet wird, um den volumetrischen Strömung zu messen. In einem Ultraschallflüssigkeitsströmungsmesser der Transitzeit wird ein Ultraschallsignal in Richtung des fließenden Flüssigkeit stromabwärts übertragen, und dann wird ein anderes Signal gegen das fließende Flüssigkeit stromaufwärts übertragen. In seiner grundlegendsten Form wird die Zeit, in der der Schallimpuls stromabwärts reise, mit der Zeit verglichen, in der der Impuls stromaufwärts reist. Unter Verwendung dieser Differentialzeit wird die Geschwindigkeit der folgenden Flüssigkeit berechnet. Anschließend berechnet der Messgerät die volumetrische Durchflussrate im Rohr mit dieser Flüssigkeitsgeschwindigkeit. Darüber hinaus kann die BTU -Energiemessung aus der volumetrischen Durchflussrate und der Temperaturdifferenz zwischen den heißen und kalten Beinen abgeleitet werden. Klemme-On-Ultraschallmeter können Wasser von außerhalb des Rohrs messen, indem Schallpulse durch die Rohrwände geschossen werden, wodurch die Flexibilität bei Anwendungen aufgetreten ist und sie für Wasserflussmessungen in großen Rohren geeignet sind.
Produktionsshow: