| Verfügbarkeitsstatus: | |
|---|---|
| Menge: | |
PHW-1M-AS
Piezohannas
PHW-1M-AS
1 MHz Edelstahl Ultraschallbereichswandler für Ultraschallbereichsfinder
Technische Parameter:
Artikel | Technische Parameter | Bild | |
Name | 1 MHz Unterwasser -Ultraschallwandler |
| |
Modell | PHW-1m-as | ||
Frequenz | 1000kHz ±5% | ||
Erkennungsabstand | 0.10~3m | ||
Minimale parallele Lmpedanz | 20Ω ± 20% | ||
2900PF ± 20%@1kHz | |||
Empfindlichkeit | dRauchenvOltage:23 V、Distanz:0.3m、Echoamplitude:700 mV | ||
Gipfel Stromspannung<300VPP | |||
-10~+50 ℃ | |||
(Strahlbreite) Halbkraftstrahl-Breiteh@-3db:3.3° ±10%, Spitzer Winkel:7.8° ±10% | |||
Wohnmaterial | 304 | ||
Verwendungszweck | U -Boot -Reichweite Finder | ||
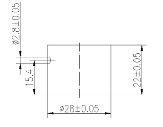
Weitere Informationen finden Sie unter Produktstrukturzeichnung | |||
Schutzlevel | IP68 | ||
Gewicht | 47g ± 5% ((Kabellänge: :2.5m) | ||
Verkabelungsanleitungen | Weiß: Wandler +, Schwarz: Wandler -; | ||
Zulassungskurve | Produktstrukturdiagramm | ||
| |||
Blockdiagramm des Ultraschallwandlers :
Schematisches Diagramm des Temperatursensors (Modell: MF58_502F3470):
Kabelbefehl integrierter Typ:
1. Verdrahtanweisungen des Wandlers: Schnittstelle (3Pin, 2,54 mm Klemme)
Rot: Wandler +
Weiß: Wandler -
Schwarz: Abschirmung
2. Kennbare Anweisung des Temperatursensors: Grenzfläche (3 Pin, 2,0 mm Klemme)
Rot und Schwarz sind Temperatursensorverdrahtung
Splitstyp: Standard -10 -m -Kabel, mit jedem weiteren 50 m Kabel, die Signalschwächung beträgt 6 dB
Drei-Kern-Verkabelungsanweisungen:
Rot: Wandler +
Blau: Temperatursensor +
Schwarz: öffentlich-
Vier-Kern-Verkabelungsanweisungen:
Rot: Wandler +
Gelb: Wandler-
Blau, Schwarz: Temperatursensor
Anwendung:
Ultraschallwandler für Ultraschallsensoren. Wird zur Entfernungsmessung, zur Überwachung der Ebene, zur Anwesenheitserkennung, zum Laufenden, zur Proximitätserfassung und vielen anderen automatisierten, industriellen und wissenschaftlichen Anwendungen verwendet.
1 MHz Edelstahl Ultraschallbereichswandler für Ultraschallbereichsfinder
Technische Parameter:
Artikel | Technische Parameter | Bild | |
Name | 1 MHz Unterwasser -Ultraschallwandler |
| |
Modell | PHW-1m-as | ||
Frequenz | 1000kHz ±5% | ||
Erkennungsabstand | 0.10~3m | ||
Minimale parallele Lmpedanz | 20Ω ± 20% | ||
2900PF ± 20%@1kHz | |||
Empfindlichkeit | dRauchenvOltage:23 V、Distanz:0.3m、Echoamplitude:700 mV | ||
Gipfel Stromspannung<300VPP | |||
-10~+50 ℃ | |||
(Strahlbreite) Halbkraftstrahl-Breiteh@-3db:3.3° ±10%, Spitzer Winkel:7.8° ±10% | |||
Wohnmaterial | 304 | ||
Verwendungszweck | U -Boot -Reichweite Finder | ||
Weitere Informationen finden Sie unter Produktstrukturzeichnung | |||
Schutzlevel | IP68 | ||
Gewicht | 47g ± 5% ((Kabellänge: :2.5m) | ||
Verkabelungsanleitungen | Weiß: Wandler +, Schwarz: Wandler -; | ||
Zulassungskurve | Produktstrukturdiagramm | ||
| |||
Blockdiagramm des Ultraschallwandlers :
Schematisches Diagramm des Temperatursensors (Modell: MF58_502F3470):
Kabelbefehl integrierter Typ:
1. Verdrahtanweisungen des Wandlers: Schnittstelle (3Pin, 2,54 mm Klemme)
Rot: Wandler +
Weiß: Wandler -
Schwarz: Abschirmung
2. Kennbare Anweisung des Temperatursensors: Grenzfläche (3 Pin, 2,0 mm Klemme)
Rot und Schwarz sind Temperatursensorverdrahtung
Splitstyp: Standard -10 -m -Kabel, mit jedem weiteren 50 m Kabel, die Signalschwächung beträgt 6 dB
Drei-Kern-Verkabelungsanweisungen:
Rot: Wandler +
Blau: Temperatursensor +
Schwarz: öffentlich-
Vier-Kern-Verkabelungsanweisungen:
Rot: Wandler +
Gelb: Wandler-
Blau, Schwarz: Temperatursensor
Anwendung:
Ultraschallwandler für Ultraschallsensoren. Wird zur Entfernungsmessung, zur Überwachung der Ebene, zur Anwesenheitserkennung, zum Laufenden, zur Proximitätserfassung und vielen anderen automatisierten, industriellen und wissenschaftlichen Anwendungen verwendet.