| Verfügbarkeitsstatus: | |
|---|---|
| Menge: | |
PHW-500-AS
Piezohannas
PHW-500-AS
500 kHz Edelstahl -Ultraschalltiefenwandler für Unterwasser -Entfernungsmesser
Technische Parameter:
Artikel | Technische Parameter | Bild | |
Name | 500 kHz Unterwassertiefenwandler |
| |
Modell | PHW-500-as | ||
Frequenz | 500KHz ±5% | ||
Erkennungsabstand | 0.30~30 m | ||
Minimale parallele Lmpedanz | 200Ω ± 20% | ||
1900PF ± 20%@1kHz | |||
Empfindlichkeit | Fahrspannung:23 V、Distanz:0,3 m、 Echoamplitude:300 mV | ||
Gipfel Stromspannung<600VPP | |||
-10~+50 ℃ | |||
(Strahlbreite) Halbkraftstrahlbreite@-3db:7° ±10%, Spitzer Winkel:15° ±10% | |||
Wohnmaterial | 304 | ||
Verwendungszweck | Unterwasser -Entfernung | ||
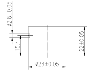
Überprüfen Sie das Produktstrukturdiagramm unten | |||
Schutzlevel | IP68 | ||
Gewicht | 52g ± 5% ((Länge:2.5m) | ||
Verkabelungsanleitungen | |||
Zulassungskurve | Produktstrukturdiagramm | ||
| |||
Blockdiagramm des Ultraschallwandlers :
Schematisches Diagramm des Temperatursensors (Modell: MF58_502F3470):
Kabelbefehl integrierter Typ:
1. Verdrahtanweisungen des Wandlers: Schnittstelle (3Pin, 2,54 mm Klemme)
Rot: Wandler +
Weiß: Wandler -
Schwarz: Abschirmung
2. Kennbare Anweisung des Temperatursensors: Grenzfläche (3 Pin, 2,0 mm Klemme)
Rot und Schwarz sind Temperatursensorverdrahtung
Splitstyp: Standard -10 -m -Kabel, mit jedem weiteren 50 m Kabel, die Signalschwächung beträgt 6 dB
Drei-Kern-Verkabelungsanweisungen:
Rot: Wandler +
Blau: Temperatursensor +
Schwarz: öffentlich-
Vier-Kern-Verkabelungsanweisungen:
Rot: Wandler +
Gelb: Wandler-
Blau, Schwarz: Temperatursensor
500 kHz Edelstahl -Ultraschalltiefenwandler für Unterwasser -Entfernungsmesser
Technische Parameter:
Artikel | Technische Parameter | Bild | |
Name | 500 kHz Unterwassertiefenwandler |
| |
Modell | PHW-500-as | ||
Frequenz | 500KHz ±5% | ||
Erkennungsabstand | 0.30~30 m | ||
Minimale parallele Lmpedanz | 200Ω ± 20% | ||
1900PF ± 20%@1kHz | |||
Empfindlichkeit | Fahrspannung:23 V、Distanz:0,3 m、 Echoamplitude:300 mV | ||
Gipfel Stromspannung<600VPP | |||
-10~+50 ℃ | |||
(Strahlbreite) Halbkraftstrahlbreite@-3db:7° ±10%, Spitzer Winkel:15° ±10% | |||
Wohnmaterial | 304 | ||
Verwendungszweck | Unterwasser -Entfernung | ||
Überprüfen Sie das Produktstrukturdiagramm unten | |||
Schutzlevel | IP68 | ||
Gewicht | 52g ± 5% ((Länge:2.5m) | ||
Verkabelungsanleitungen | |||
Zulassungskurve | Produktstrukturdiagramm | ||
| |||
Blockdiagramm des Ultraschallwandlers :
Schematisches Diagramm des Temperatursensors (Modell: MF58_502F3470):
Kabelbefehl integrierter Typ:
1. Verdrahtanweisungen des Wandlers: Schnittstelle (3Pin, 2,54 mm Klemme)
Rot: Wandler +
Weiß: Wandler -
Schwarz: Abschirmung
2. Kennbare Anweisung des Temperatursensors: Grenzfläche (3 Pin, 2,0 mm Klemme)
Rot und Schwarz sind Temperatursensorverdrahtung
Splitstyp: Standard -10 -m -Kabel, mit jedem weiteren 50 m Kabel, die Signalschwächung beträgt 6 dB
Drei-Kern-Verkabelungsanweisungen:
Rot: Wandler +
Blau: Temperatursensor +
Schwarz: öffentlich-
Vier-Kern-Verkabelungsanweisungen:
Rot: Wandler +
Gelb: Wandler-
Blau, Schwarz: Temperatursensor