| Verfügbarkeitsstatus: | |
|---|---|
| Menge: | |
PHW-300K-12d
Piezohannas
PHW-300K-12D
300 kHz Multibeam -Unterwasser -Ultraschallwandler für Ultraschallflussmeter
Technische Parameter:
Artikel | Technische Parameter | Bild | |
Name | 300kHz Multibeam -Unterwasser -Ultraschallwandler |
| |
Modell | PHW-300K-12d | ||
Frequenz | 300kHz ±5% | ||
Minimale parallele Lmpedanz | 150Ω ± 20% | ||
2800PF ± 20%@1kHz | |||
Empfindlichkeit | dRauchenvOltage:200VPP、Distanz:0.7m、 Echoamplitude800 MV | ||
Gipfel Stromspannung<950VPP | |||
-40~+80 ℃ | |||
≤ 10Kilos oder 1mpa | |||
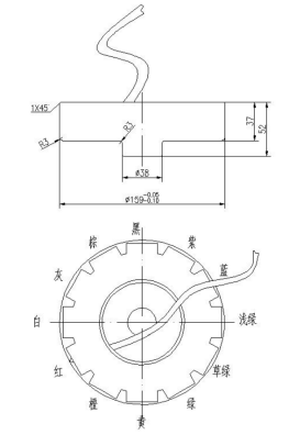
Weitere Informationen finden Sie unter Produktstrukturzeichnung | |||
Wohnmaterial | Abs | ||
Verwendungszweck | Ultraschallflussmeter, Unterwasser -Entfernungsmesser | ||
Schutzlevel | IP68 | ||
Gewicht | 1900g ± 5% ((Kabellänge:10m) | ||
Verkabelungsanleitungen | Schwarzes Collet: Häufiger negativer Pol des Wandlers; Roter Collet: positiver Pol des Wandlers (siehe Produktstrukturdiagramm für die entsprechende Position); | ||
Zulassungskurve | Produktstrukturdiagramm | ||
| |||
Blockdiagramm des Ultraschallwandlers :
Schematisches Diagramm des Temperatursensors (Modell: MF58_502F3470):
Kabelbefehl integrierter Typ:
1. Verdrahtanweisungen des Wandlers: Schnittstelle (3Pin, 2,54 mm Klemme)
Rot: Wandler +
Weiß: Wandler -
Schwarz: Abschirmung
2. Kennbare Anweisung des Temperatursensors: Grenzfläche (3 Pin, 2,0 mm Klemme)
Rot und Schwarz sind Temperatursensorverdrahtung
Splitstyp: Standard -10 -m -Kabel, mit jedem weiteren 50 m Kabel, die Signalschwächung beträgt 6 dB
Drei-Kern-Verkabelungsanweisungen:
Rot: Wandler +
Blau: Temperatursensor +
Schwarz: öffentlich-
Vier-Kern-Verkabelungsanweisungen:
Rot: Wandler +
Gelb: Wandler-
Blau, Schwarz: Temperatursensor
300 kHz Multibeam -Unterwasser -Ultraschallwandler für Ultraschallflussmeter
Technische Parameter:
Artikel | Technische Parameter | Bild | |
Name | 300kHz Multibeam -Unterwasser -Ultraschallwandler |
| |
Modell | PHW-300K-12d | ||
Frequenz | 300kHz ±5% | ||
Minimale parallele Lmpedanz | 150Ω ± 20% | ||
2800PF ± 20%@1kHz | |||
Empfindlichkeit | dRauchenvOltage:200VPP、Distanz:0.7m、 Echoamplitude800 MV | ||
Gipfel Stromspannung<950VPP | |||
-40~+80 ℃ | |||
≤ 10Kilos oder 1mpa | |||
Weitere Informationen finden Sie unter Produktstrukturzeichnung | |||
Wohnmaterial | Abs | ||
Verwendungszweck | Ultraschallflussmeter, Unterwasser -Entfernungsmesser | ||
Schutzlevel | IP68 | ||
Gewicht | 1900g ± 5% ((Kabellänge:10m) | ||
Verkabelungsanleitungen | Schwarzes Collet: Häufiger negativer Pol des Wandlers; Roter Collet: positiver Pol des Wandlers (siehe Produktstrukturdiagramm für die entsprechende Position); | ||
Zulassungskurve | Produktstrukturdiagramm | ||
| |||
Blockdiagramm des Ultraschallwandlers :
Schematisches Diagramm des Temperatursensors (Modell: MF58_502F3470):
Kabelbefehl integrierter Typ:
1. Verdrahtanweisungen des Wandlers: Schnittstelle (3Pin, 2,54 mm Klemme)
Rot: Wandler +
Weiß: Wandler -
Schwarz: Abschirmung
2. Kennbare Anweisung des Temperatursensors: Grenzfläche (3 Pin, 2,0 mm Klemme)
Rot und Schwarz sind Temperatursensorverdrahtung
Splitstyp: Standard -10 -m -Kabel, mit jedem weiteren 50 m Kabel, die Signalschwächung beträgt 6 dB
Drei-Kern-Verkabelungsanweisungen:
Rot: Wandler +
Blau: Temperatursensor +
Schwarz: öffentlich-
Vier-Kern-Verkabelungsanweisungen:
Rot: Wandler +
Gelb: Wandler-
Blau, Schwarz: Temperatursensor