Piezo Hannas (WuHan) Tech Co,.Ltd .- Professioneller Piezoceramic Elements Lieferant
Produkte
Sie sind hier: Heim / Produkte / Ultraschallwandler / Geber für Tiefe / 200 kHz Unterwasser-Ultraschall-Tiefensensor für U-Boot-Entfernungsmesser
Hochfrequenz Großhandelsprodukte für Hersteller und Fabriken:

Produktkategorie

Feedback

loading

Anteil an:
sharethis sharing button

200 kHz Unterwasser-Ultraschall-Tiefensensor für U-Boot-Entfernungsmesser

Anwendung: Ultraschallflussmeter , U -Boot -Bereichs -Finder
Verfügbarkeitsstatus:
Menge:
  • PHW-200-G

  • Piezohannas

  • PHW-200-G

200 kHz Unterwasser -Ultraschall -Tiefenwandler -Sensor für U -Boot -Bereichs -Finder

 

 

1. Technische Parameter:


Artikel

Technische Parameter

Bild

Name

200kHzUnterwasser -Ultraschall Wandler

{Tl _]) 9 $} 0] fxqle47md} f9  

Xit8x1dwujj) (%] Zodv`) fw  

Modell

PHW-200-g

Frequenz

200KHz±5%

Erkennungsabstand

0.4010.0m

Minimum

Parallele Lmpedanz

2100Ω ± 20

Kapazität

1000PF ± 20@1kHz

 

Empfindlichkeit

Fahrspannung: 24 VPP 、 Abstand: 0,3 m 、

Echoamplitude: 200 mV

Betriebs

Stromspannung

Gipfel  Stromspannung< 1500VPP

Betriebs

Temperatur

-10+50 ℃

Druck

5MPA

 

Winkel

(Strahlbreite) Halbleistungstrahlbreite bei -3 dB: 15 ° ± 2 ,

Scharfer Winkel: 35 ° ± 4

Gehäuse  Material

316

 

Verwendungszweck

U -Boot -Reichweite Finder

Installation

Abmessungen

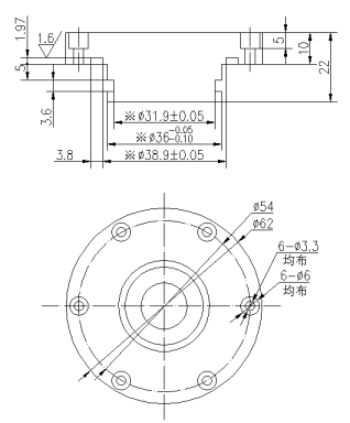
Siehe die Produktstrukturzeichnung

Schutzlevel

IP68

Gewicht

280g ± 5% (Länge: 1m)

Verkabelungsanleitungen

Rot+, schwarz-, gelb, weiß: mf58 thalpose zwei Pole ;

Zulassungskurve

Produktstrukturdiagramm

[BM6MO07ISOXHN) LSL [V2  

JN3H $ _7 (9nzl@%az} 7d` (r



2. Temperatursensorschema -Diagramm des Wandlers, Testkreisschemasdiagramms





0) BSPBFPJA {p`6ks@w0d $ dd

 


Vorherige: 
Nächste: 

heiße Produkte

Piezo Hannas (WuHan) Tech Co,.Ltd ist eine professionelle piezoelektrische Keramik- und Ultraschallwandlerhersteller, die sich Ultraschalltechnologie und industriellen Anwendungen widmet.

EMPFEHLEN

KONTAKTIERE UNS

Hinzufügen: Nr. 456 Wu Luo Road, Wuchang District, Wuhan City, Provinz Hubei, China.
Email:sales@piezohannas.com
Tel: +86 27 84898868
Telefon: +86 +18986196674
QQ: 1553242848
Skype: Live: Mary_14398
Copyright 2017  Piezo Hannas (WuHan) Tech Co,.Ltd.All rights reserved.
Produkte