-
Abmessungen: 60x5 mm Resonanzfrequenz FR: 420 kHz ± 2% Elektromechanischer Kopplungskoeffizient K33: ≥ 58% Resonanzimpedanz ZM: ≤45 Ω Statische Kapazität CS: 5100PF ± 14%@1kHz Anwendung: Piezo -Wandler zur Milchanalyse, Piezo -Wandler zur Vibration, Wandler für Materie Dispersion, Ultraschallsensor von Sonarwandler, Schwingungssensor, Wanddicke, Materialspannungssensor, Drucksensor, Energieerziehung, Drucksensor, Piezo -Expansionssensor und andere.
-
Wir können 2 MHz, 4MHz, 6 MHz TCD -Doppler -Sensor anbieten. Die Form der Schale kann basierend auf Ihren Anforderungen angepasst werden. Anwendung: Diese Sonde wird für kraniozervikaler Doppler-Durchflussmeter verwendet. Sie ist eine gute Anti-Interferenz-Fähigkeit und hohe Empfindlichkeit, die, die wurde in viele TCD -Gerätehersteller integriert.
-
Wir können den 5-MHz, 8MHz, 10 MHz, 13 MHz A-Ultrasound-Sensor anbieten Anwendung: Der Sensor, der zur Messung der Dicke des PET oder des Viehfetts und der Messung der Abstand oder der Messung der Dicke in der Augenheilkunde.
-
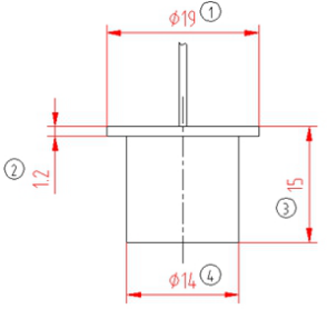
Abmessungen: Äußere Dimension: 18 mm Interdimension: 15 mm Höhe: 15 mm Merkmale von piezoelektrischem Kristall: 1. Niedrige Impedanz 2. Die Wellenform ist stabil 3. Effizienz mit hoher elektromechanischer Umwandlung 4. Niedriger dielektrischer Verlust 5. Erhitzen Sie eine kleine 6. Großes Sprühvolumen 7. Das Leben von mehr als 5000 Stunden 8. Säurekorrosion
-
Dimension: OD50mm xid20mm x Thi6.5mm Für Ultraschallschweißmaschine bestellen unsere Kunden häufig 60 x 10 x 10 mm, 50 x20 x 6,5 mm Piezo -Ring, sie sind in unserer Fabrik auf Lager. Bitte kontaktieren Sie uns, wenn alle Anforderungen.
-
Dimension (Durchmesser × Dicke): 10 mmx2mm Merkmale von piezoelektrischem Kristall: 1. Niedrige Impedanz 2. Die Wellenform ist stabil 3. Effizienz mit hoher elektromechanischer Umwandlung 4. Niedriger dielektrischer Verlust 5. Erhitzen Sie eine kleine 6. Großes Sprühvolumen 7. Das Leben von mehr als 5000 Stunden 8. Säurekorrosion
-
Hemisphäre Piezo: Abmessungen: Durchmesser: 50 mm OD des Lochs: 8 mm Wandstärke: 2 mm Merkmale von Hochtemperatur -Piezoceramic: 1. Niedrige Impedanz 2. Die Wellenform ist stabil 3. Effizienz mit hoher elektromechanischer Umwandlung 4. Niedriger dielektrischer Verlust 5. Erhitzen Sie eine kleine 6. Großes Sprühvolumen 7. Das Leben von mehr als 5000 Stunden 8. Säurekorrosion
-
Dimension: OD60mm xid30mm x Thi10mmmm Für Ultraschallschweißmaschine bestellen unsere Kunden häufig 60 x 10 x 10 mm, 50 x20 x 6,5 mm Piezo -Ring, sie sind in unserer Fabrik auf Lager. Bitte kontaktieren Sie uns, wenn alle Anforderungen.
-
Hemisphäre Piezo: Abmessungen: Durchmesser: 15 mm OD des Lochs: 4mm Wandstärke: 1mm Merkmale von Hochtemperatur -Piezoceramic: 1. Niedrige Impedanz 2. Die Wellenform ist stabil 3. Effizienz mit hoher elektromechanischer Umwandlung 4. Niedriger dielektrischer Verlust 5. Erhitzen Sie eine kleine 6. Großes Sprühvolumen 7. Das Leben von mehr als 5000 Stunden 8. Säurekorrosion
-
Dimension (Durchmesser × Dicke): 16 mmx0,4 mm Merkmale von piezoelektrischem Kristall: 1. Niedrige Impedanz 2. Die Wellenform ist stabil 3. Effizienz mit hoher elektromechanischer Umwandlung 4. Niedriger dielektrischer Verlust 5. Erhitzen Sie eine kleine 6. Großes Sprühvolumen 7. Das Leben von mehr als 5000 Stunden 8. Säurekorrosion
-
Über den Ultraschall -Abstandswandler können wir einen Wandler anbieten, der 1 m, 3m, 4m, 5m, 8m, 12m, 20 m, 30 m, 50 m erkennen kann.
-
Über den Ultraschall -Abstandswandler können wir einen Wandler anbieten, der 1 m, 3m, 4m, 5m, 8m, 12m, 20 m, 30 m, 50 m erkennen kann.
-
Größe: 54,5x47x40mm Anwendung: Unterwasserkommunikationsvorrichtung, Hydrophon, Sonar.