| Verfügbarkeitsstatus: | |
|---|---|
| Menge: | |
PHW-1M-01N
Piezohannas
PHW-1M-01N
1 MHz Unterwasser -Ultraschallflussmesser -Wandler für Ultraschalldurchflussmeter
Technische Parameter:
Artikel | Technische Parameter | Bild | |
Name | 1MHz Unterwasser -Ultraschall Wandler |
| |
Modell | PHW-1m-01n | ||
Frequenz | 1MHz±5% | ||
Erkennungsabstand | 0.05~3m | ||
Minimum Parallele Lmpedanz | 170 Ω ± 20% | ||
1100PF ± 20%@1kHz | |||
Empfindlichkeit | Emitting Stromspannung 24VPP , Entfernung: 0,3 m , Echoamplitude: 500 mV | ||
Gipfel Stromspannung< 300 VPP | |||
-40~+80 ℃ | |||
≤3kilos oder 0,3 MPa | |||
| (Strahlbreite)Halbleistungstrahlbreite bei -3 dB: 5 ° ± 1 , Scharfen Winkel: 11 ° ± 2 | ||
Gehäuse Material | Verbundwerkstoff | ||
Verwendungszweck | Ultraschallflussmeter , U -U -U -U -U -Boot -Reichweite Finder | ||
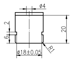
Siehe die Produktstrukturzeichnung | |||
Schutzlevel | IP68 | ||
Gewicht | 13g ± 5%(Länge: 25 cm) | ||
Verkabelungsanleitungen | Integrierter Typ: Rot+, Weiß- , Schwarz: Abschirmungsdraht ; (ohne Temperatursensor standardmäßig) | ||
Zulassungskurve | Produktstrukturdiagramm | ||
|
| ||
Schaltplattenschema -Diagramm
Temperatursensorschema -Diagramm des Wandlers
Ultraschallwasserströmungsmesser Anwendung:
Ultraschallwasserströmungsmessgeräte messen die Geschwindigkeit der Flüssigkeit, die durch das Rohr durch das Rohr geleitet wird, um den volumetrischen Strömung zu messen. In einem Ultraschallflüssigkeitsströmungsmesser der Transitzeit wird ein Ultraschallsignal in Richtung des fließenden Flüssigkeit stromabwärts übertragen, und dann wird ein anderes Signal gegen das fließende Flüssigkeit stromaufwärts übertragen. In seiner grundlegendsten Form wird die Zeit, in der der Schallimpuls stromabwärts reise, mit der Zeit verglichen, in der der Impuls stromaufwärts reist. Unter Verwendung dieser Differentialzeit wird die Geschwindigkeit der folgenden Flüssigkeit berechnet. Anschließend berechnet der Messgerät die volumetrische Durchflussrate im Rohr mit dieser Flüssigkeitsgeschwindigkeit. Darüber hinaus kann die BTU -Energiemessung aus der volumetrischen Durchflussrate und der Temperaturdifferenz zwischen den heißen und kalten Beinen abgeleitet werden. Klemme-On-Ultraschallmeter können Wasser von außerhalb des Rohrs messen, indem Schallpulse durch die Rohrwände geschossen werden, wodurch die Flexibilität bei Anwendungen aufgetreten ist und sie für Wasserflussmessungen in großen Rohren geeignet sind.
1 MHz Unterwasser -Ultraschallflussmesser -Wandler für Ultraschalldurchflussmeter
Technische Parameter:
Artikel | Technische Parameter | Bild | |
Name | 1MHz Unterwasser -Ultraschall Wandler |
| |
Modell | PHW-1m-01n | ||
Frequenz | 1MHz±5% | ||
Erkennungsabstand | 0.05~3m | ||
Minimum Parallele Lmpedanz | 170 Ω ± 20% | ||
1100PF ± 20%@1kHz | |||
Empfindlichkeit | Emitting Stromspannung 24VPP , Entfernung: 0,3 m , Echoamplitude: 500 mV | ||
Gipfel Stromspannung< 300 VPP | |||
-40~+80 ℃ | |||
≤3kilos oder 0,3 MPa | |||
| (Strahlbreite)Halbleistungstrahlbreite bei -3 dB: 5 ° ± 1 , Scharfen Winkel: 11 ° ± 2 | ||
Gehäuse Material | Verbundwerkstoff | ||
Verwendungszweck | Ultraschallflussmeter , U -U -U -U -U -Boot -Reichweite Finder | ||
Siehe die Produktstrukturzeichnung | |||
Schutzlevel | IP68 | ||
Gewicht | 13g ± 5%(Länge: 25 cm) | ||
Verkabelungsanleitungen | Integrierter Typ: Rot+, Weiß- , Schwarz: Abschirmungsdraht ; (ohne Temperatursensor standardmäßig) | ||
Zulassungskurve | Produktstrukturdiagramm | ||
|
| ||
Schaltplattenschema -Diagramm
Temperatursensorschema -Diagramm des Wandlers
Ultraschallwasserströmungsmesser Anwendung:
Ultraschallwasserströmungsmessgeräte messen die Geschwindigkeit der Flüssigkeit, die durch das Rohr durch das Rohr geleitet wird, um den volumetrischen Strömung zu messen. In einem Ultraschallflüssigkeitsströmungsmesser der Transitzeit wird ein Ultraschallsignal in Richtung des fließenden Flüssigkeit stromabwärts übertragen, und dann wird ein anderes Signal gegen das fließende Flüssigkeit stromaufwärts übertragen. In seiner grundlegendsten Form wird die Zeit, in der der Schallimpuls stromabwärts reise, mit der Zeit verglichen, in der der Impuls stromaufwärts reist. Unter Verwendung dieser Differentialzeit wird die Geschwindigkeit der folgenden Flüssigkeit berechnet. Anschließend berechnet der Messgerät die volumetrische Durchflussrate im Rohr mit dieser Flüssigkeitsgeschwindigkeit. Darüber hinaus kann die BTU -Energiemessung aus der volumetrischen Durchflussrate und der Temperaturdifferenz zwischen den heißen und kalten Beinen abgeleitet werden. Klemme-On-Ultraschallmeter können Wasser von außerhalb des Rohrs messen, indem Schallpulse durch die Rohrwände geschossen werden, wodurch die Flexibilität bei Anwendungen aufgetreten ist und sie für Wasserflussmessungen in großen Rohren geeignet sind.