| Verfügbarkeitsstatus: | |
|---|---|
| Menge: | |
PHW-1M-01NA
Piezohannas
PHW-1M-01NA
Ultraschallwandler -Tiefenmessung von Titanlegierung für Ultraschalldurchflussmeter
1. Einführung
UNderwasser -SounderWandler Verwendet Ultraschallwellen zu Übertragungen Unterwasser und reflektiert, wenn sie messen ein gemessenes Objekt treffen. Es kann erkennen Abstand zwischen dem Sensor und dem gemessenen Objekt und dann Übertragung Zu Schiffen, Bojen, unter Wasser unbemannten Luftfahrzeugen usw. als Tiefenschallanlage kann es auch zur Messung der Unterwasserentfernung verwendet werden.
Das Produktschutzniveau erreicht das IP68 -Niveau und kann für eine lange Zeit unter Wasser getränkt werden 100 Meter ohne Schaden.(Beachten Sie, dass der Kabelleteil des Instruments nach der Verkabelung zuverlässig versiegelt werden muss, um Wasser zu vermeiden.)
2. Technische Parameter:
Artikel | Technische Parameter | Bild | |
Name | 1MHz Unterwasser -Ultraschall Wandler |
| |
Modell | PHW-1M-01na | ||
Frequenz | 1MHz±5% | ||
Erkennungsabstand | 0.05~3m | ||
Minimum Parallele Lmpedanz | 90 Ω ± 20% | ||
1040PF ± 20%@1kHz | |||
Empfindlichkeit | Emissionsspannung: 24 VPP , Entfernung: 0,3 m , Echoamplitude: 400mV | ||
Gipfel Stromspannung< 300 VPP | |||
-40~+80 ℃ | |||
≤3kilos oder 0.3MPA | |||
| (Strahlbreite) Halbleistungstrahlbreite bei -3 dB: 5 ° ± 1 , Scharfer Winkel :: 11 ° ± 2 | ||
Gehäuse Material | Titanlegierung | ||
Verwendungszweck | Ultraschallflussmeter , U -U -U -U -U -Boot -Reichweite Finder | ||
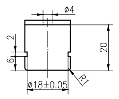
Siehe die Produktstrukturzeichnung | |||
Schutzlevel | IP68 | ||
Gewicht | 28g ± 5%(Länge: 13 cm) | ||
Verkabelungsanleitungen | Rot+, weiß- , schwarz: abgeschirmtes Draht ; (ohne Temperatursensor standardmäßig) | ||
Zulassungskurve | Produktstrukturdiagramm | ||
|
| ||
2. Blockendiagramm des Ultraschallwandlers blockieren :
3. Temperatursensorschema -Diagramm des Wandlers,
4. integriert Geben Sie die Kabelanweisung ein:
1. Verdrahtanweisungen des Wandlers: Schnittstelle (3Pin, 2,54 mm Klemme)
Rot: Wandler +
Weiß: Wandler -
Schwarz: Abschirmung
2. Kennbare Anweisung des Temperatursensors: Grenzfläche (3 Pin, 2,0 mm Klemme)
Rot und Schwarz sind Temperatursensorverdrahtung
Ultraschallwandler -Tiefenmessung von Titanlegierung für Ultraschalldurchflussmeter
1. Einführung
UNderwasser -SounderWandler Verwendet Ultraschallwellen zu Übertragungen Unterwasser und reflektiert, wenn sie messen ein gemessenes Objekt treffen. Es kann erkennen Abstand zwischen dem Sensor und dem gemessenen Objekt und dann Übertragung Zu Schiffen, Bojen, unter Wasser unbemannten Luftfahrzeugen usw. als Tiefenschallanlage kann es auch zur Messung der Unterwasserentfernung verwendet werden.
Das Produktschutzniveau erreicht das IP68 -Niveau und kann für eine lange Zeit unter Wasser getränkt werden 100 Meter ohne Schaden.(Beachten Sie, dass der Kabelleteil des Instruments nach der Verkabelung zuverlässig versiegelt werden muss, um Wasser zu vermeiden.)
2. Technische Parameter:
Artikel | Technische Parameter | Bild | |
Name | 1MHz Unterwasser -Ultraschall Wandler |
| |
Modell | PHW-1M-01na | ||
Frequenz | 1MHz±5% | ||
Erkennungsabstand | 0.05~3m | ||
Minimum Parallele Lmpedanz | 90 Ω ± 20% | ||
1040PF ± 20%@1kHz | |||
Empfindlichkeit | Emissionsspannung: 24 VPP , Entfernung: 0,3 m , Echoamplitude: 400mV | ||
Gipfel Stromspannung< 300 VPP | |||
-40~+80 ℃ | |||
≤3kilos oder 0.3MPA | |||
| (Strahlbreite) Halbleistungstrahlbreite bei -3 dB: 5 ° ± 1 , Scharfer Winkel :: 11 ° ± 2 | ||
Gehäuse Material | Titanlegierung | ||
Verwendungszweck | Ultraschallflussmeter , U -U -U -U -U -Boot -Reichweite Finder | ||
Siehe die Produktstrukturzeichnung | |||
Schutzlevel | IP68 | ||
Gewicht | 28g ± 5%(Länge: 13 cm) | ||
Verkabelungsanleitungen | Rot+, weiß- , schwarz: abgeschirmtes Draht ; (ohne Temperatursensor standardmäßig) | ||
Zulassungskurve | Produktstrukturdiagramm | ||
|
| ||
2. Blockendiagramm des Ultraschallwandlers blockieren :
3. Temperatursensorschema -Diagramm des Wandlers,
4. integriert Geben Sie die Kabelanweisung ein:
1. Verdrahtanweisungen des Wandlers: Schnittstelle (3Pin, 2,54 mm Klemme)
Rot: Wandler +
Weiß: Wandler -
Schwarz: Abschirmung
2. Kennbare Anweisung des Temperatursensors: Grenzfläche (3 Pin, 2,0 mm Klemme)
Rot und Schwarz sind Temperatursensorverdrahtung