Piezo Hannas (WuHan) Tech Co,.Ltd .- Professioneller Piezoceramic Elements Lieferant
Produkte
Sie sind hier: Heim / Produkte / Ultraschallwandler / Wandler für Gaszähler / Edelstahl 200 KHz Ultraschallwandler für Ultraschall-Gasdurchflussmesser
Hochfrequenz Großhandelsprodukte für Hersteller und Fabriken:

Produktkategorie

Feedback

loading

Anteil an:
sharethis sharing button

Edelstahl 200 KHz Ultraschallwandler für Ultraschall-Gasdurchflussmesser

Ultraschallwandler für Ultraschallgasströmung, Ultraschallanemometersensor
Verfügbarkeitsstatus:
Menge:
  • PHA-200-01VG

  • Piezohannas

  • PHA-200-01VG

Edelstahl 200 -kHz -Ultraschallwandler für Ultraschallgasströmungsmeter


Artikel

Technische Parameter

Bild

Name

200kHz Ultraschallwandler

1PGB (] 0rgnw0 [do7tyh`v@s  

S [9x%RDW7OI}%RE8SZNC] 1  

Modell

PHA-200-01VG     

Frequenz

200 kHz ± 5%

Erkennungsabstand

0.101,5 m

Minimum

Parallele Lmpedanz

660 Ω ± 20

Kapazität

570PF ± 20@1kHz

 

Empfindlichkeit

Fahrspannung800VPPDistanz:0,3 m

Echoamplitude35mv

Betriebs

Stromspannung

Gipfel  Stromspannung1000 VPP

Betriebs

Temperatur

-40+80 ℃

Druck

≤ 1Kilos oder 0,1 MPa

 

Winkel

(Strahlbreite) Halbkraftstrahlbreite@-3 dB: 7,2 ° ± 2

Spitzer Winkel:17,1 ° ± 4

Gehäuse Material

Verbundwerkstoff

 

Verwendungszweck

Anemorumbometer, Gasflussmesser

Installation

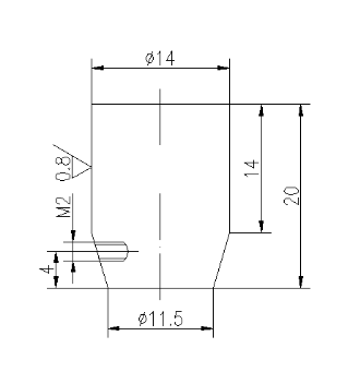
Abmessungen

Siehe das Strukturdiagramm

Schutzlevel

IP68

Gewicht

14g ± 5% ((Länge25 cm

Verkabelungsanleitungen

Integrierter Typ: Rot+, Weiß-Schwarz: Abgeschirmtes Draht ; Temperatursensor ist optional

 

Zulassungskurve

Produktstrukturdiagramm

J9J71T83VI $ qqk@] uq2gj2  

 

V2) 2m0} b6v $ j5p%ns] 3EHC7


Blockdiagramm des Ultraschallwandlers :


0RYJG8D (6_Q9XM%86PDG


Schematisches Diagramm des Temperatursensors:


O3`1PA5YR5%Z5'DQ1R



Integriert Geben Sie die Kabelanweisung ein:     :

1. Verdrahtanweisungen des Wandlers: Schnittstelle (3Pin, 2,54 mm Klemme)

Rot: Wandler +     

Weiß: Wandler -         

Schwarz: Abschirmung


4WWFPPDRJ7 (ES327D247


Vorherige: 
Nächste: 

heiße Produkte

Piezo Hannas (WuHan) Tech Co,.Ltd ist eine professionelle piezoelektrische Keramik- und Ultraschallwandlerhersteller, die sich Ultraschalltechnologie und industriellen Anwendungen widmet.

EMPFEHLEN

KONTAKTIERE UNS

Hinzufügen: Nr. 456 Wu Luo Road, Wuchang District, Wuhan City, Provinz Hubei, China.
Email:sales@piezohannas.com
Tel: +86 27 84898868
Telefon: +86 +18986196674
QQ: 1553242848
Skype: Live: Mary_14398
Copyright 2017  Piezo Hannas (WuHan) Tech Co,.Ltd.All rights reserved.
Produkte