Piezo Hannas (WuHan) Tech Co,.Ltd .- Professioneller Piezoceramic Elements Lieferant
Produkte
Sie sind hier: Heim / Produkte / Ultraschallwandler / Messumformer für Durchflussmesser / 500-kHz-Ultraschall-10-M-Tiefenmesswandler für Ultraschall-Durchflussmesser
Hochfrequenz Großhandelsprodukte für Hersteller und Fabriken:

Produktkategorie

Feedback

loading

Anteil an:
sharethis sharing button

500-kHz-Ultraschall-10-M-Tiefenmesswandler für Ultraschall-Durchflussmesser

Anwendung: Ultraschallflussmeter , U -Boot -Bereichs -Finder
Verfügbarkeitsstatus:
Menge:
  • PHW-500-F

  • Piezohannas

  • PHW-500-F

     500 kHz Ultraschall 10 m Tiefenmesswandler für Ultraschallflussmeter

 


1. Technische Parameter:


Artikel

Technische Parameter

Bild

Name

500 khZ Unterwasser -Ultraschall Wandler

7}) e [DEHEN31G (K9} 7M4YJ1  

X`58%iych] lie4u%rrip1eb  

Modell

PHW-500-F

Frequenz

500KHz±5%

Erkennungsabstand

0.4010.0m

Minimum

Parallele Lmpedanz

280Ω ± 20

Kapazität

1200PF ± 20@1kHz

 

Empfindlichkeit

Fahrspannung: 24 VPP 、 Abstand: 0,3 m 、

Echoamplitude: 00 mV

Betriebs

Stromspannung

Gipfel  Stromspannung600VPP

Betriebs

Temperatur

-10+50 ℃

Druck

5MPA

 

Winkel

(Strahlbreite) Halbleistungstrahlbreite bei -3 dB: 6,7 ° ± 1 ,

Scharfen Winkel: 15,7 ° ± 2

Gehäuse  Material

316

 

Verwendungszweck

U -Boot -Reichweite Finder

Installation

Abmessungen

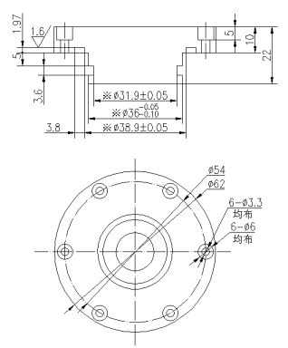
Siehe die Produktstrukturzeichnung

Schutzlevel

IP68

Gewicht

280g ± 5(Länge: 1m)

Verkabelungsanleitungen

   Rot+, schwarz- , gelb, weiß : die beiden Pole von MF58 -Thalpose

Zulassungskurve

Produktstrukturdiagramm

F1`dki4yablqge2e)} 30dk3  

W@cna0}} yxryb {v8g {@8t8y



2. Temperatursensorschema -Diagramm des Wandlers, Testkreisschemasdiagramms





0) BSPBFPJA {p`6ks@w0d $ dd

 


Vorherige: 
Nächste: 

heiße Produkte

Piezo Hannas (WuHan) Tech Co,.Ltd ist eine professionelle piezoelektrische Keramik- und Ultraschallwandlerhersteller, die sich Ultraschalltechnologie und industriellen Anwendungen widmet.

EMPFEHLEN

KONTAKTIERE UNS

Hinzufügen: Nr. 456 Wu Luo Road, Wuchang District, Wuhan City, Provinz Hubei, China.
Email:sales@piezohannas.com
Tel: +86 27 84898868
Telefon: +86 +18986196674
QQ: 1553242848
Skype: Live: Mary_14398
Copyright 2017  Piezo Hannas (WuHan) Tech Co,.Ltd.All rights reserved.
Produkte