| Verfügbarkeitsstatus: | |
|---|---|
| Menge: | |
PH30F0620
Piezohannas
PH30F0620
30 kHz Ultraschall -Distanzsensor -Datenblatt für 20 Meter
Einführung:
PH30F0620 Ultraschallsensor hat die Funktionen von Sender und Empfänger. Es handelt sich um einen Langstreckentyp, der im Allgemeinen für Ultraschallbereichsfinder, Ultraschallsensor für nichtkontakte Erkennungsobjekte, Ultraschalldistanzsensor, Ultraschall-Sensor auf Flüssigkeitsebene usw. verwendet werden kann. Wenn Sie Fragen zu anderen Anwendungen haben, kontaktieren Sie uns bitte für Details.
Technische Parameter:
Modell | PH30F0620 |
Center Resonant Frequenz (KHz) | 30KHz ± 2,0 kHz |
Bandbreite | 3.0kHz |
Erkennungsabstand | 0.6~20m |
Tote Winkel | <0.6m |
Startwinkelstrahl (-6 dB Vollwinkel) | 14 ± 2 ° |
Empfindlich | -65db min |
Elektrostatische Kapazität | 7000PF ± 20% |
Minimale parallele Impedanz | 200 Ω ± 30% |
Maximale Arbeitsspannung (Impuls - 2% Dienstzyklus) | 1800VP-P |
Betriebstemperatur | -20 ~ 70℃ |
Lagertemperatur | -40 ~ 85℃ |
Schutzlevel | IP65 |
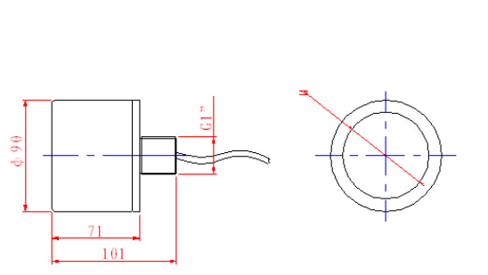
Größe (Durchmesser * Höhe, mm) | Φ90x103 |
Installation | Mit Schraube befestigt |
Fallmaterial | PVC |
Kabellänge | 3 m (kann angepasst werden) |
Gewicht | 1.5kg |
Foto:
Umrissdimension:
Frequenzresistenzkurve:
Frequenz-Phasenwinkel Kurve:
Sensitivitätstest:
Spannung übertragen:400VP-P; Zeitraum:50; Entfernung: 1.5M
DIrektivität Kurve:
Merkmale von Ultraschallsensoren:
1.Small Größe und leichtes Gewicht
2. Hohe Empfindlichkeit und hoher Schalldruck
3. Low Power -Verbrauch
4. Hochzuverlässige Zuverlässigkeit
Charakteristisch:
1. bejahen Siegel (PVC Outer Abdeckung)
2.Konvenience Thread Rate (G1 \")
Anwendung:
1. Positionort
2. Messung
3. Traffic -Messung
4.Verblutung Hindernisse
30 kHz Ultraschall -Distanzsensor -Datenblatt für 20 Meter
Einführung:
PH30F0620 Ultraschallsensor hat die Funktionen von Sender und Empfänger. Es handelt sich um einen Langstreckentyp, der im Allgemeinen für Ultraschallbereichsfinder, Ultraschallsensor für nichtkontakte Erkennungsobjekte, Ultraschalldistanzsensor, Ultraschall-Sensor auf Flüssigkeitsebene usw. verwendet werden kann. Wenn Sie Fragen zu anderen Anwendungen haben, kontaktieren Sie uns bitte für Details.
Technische Parameter:
Modell | PH30F0620 |
Center Resonant Frequenz (KHz) | 30KHz ± 2,0 kHz |
Bandbreite | 3.0kHz |
Erkennungsabstand | 0.6~20m |
Tote Winkel | <0.6m |
Startwinkelstrahl (-6 dB Vollwinkel) | 14 ± 2 ° |
Empfindlich | -65db min |
Elektrostatische Kapazität | 7000PF ± 20% |
Minimale parallele Impedanz | 200 Ω ± 30% |
Maximale Arbeitsspannung (Impuls - 2% Dienstzyklus) | 1800VP-P |
Betriebstemperatur | -20 ~ 70℃ |
Lagertemperatur | -40 ~ 85℃ |
Schutzlevel | IP65 |
Größe (Durchmesser * Höhe, mm) | Φ90x103 |
Installation | Mit Schraube befestigt |
Fallmaterial | PVC |
Kabellänge | 3 m (kann angepasst werden) |
Gewicht | 1.5kg |
Foto:
Umrissdimension:
Frequenzresistenzkurve:
Frequenz-Phasenwinkel Kurve:
Sensitivitätstest:
Spannung übertragen:400VP-P; Zeitraum:50; Entfernung: 1.5M
DIrektivität Kurve:
Merkmale von Ultraschallsensoren:
1.Small Größe und leichtes Gewicht
2. Hohe Empfindlichkeit und hoher Schalldruck
3. Low Power -Verbrauch
4. Hochzuverlässige Zuverlässigkeit
Charakteristisch:
1. bejahen Siegel (PVC Outer Abdeckung)
2.Konvenience Thread Rate (G1 \")
Anwendung:
1. Positionort
2. Messung
3. Traffic -Messung
4.Verblutung Hindernisse