| Verfügbarkeitsstatus: | |
|---|---|
| Menge: | |
PHA-200-01KD
Piezohannas
PHA-200-01KD
200kHz Utrasonische Wandlerwindgeschwindigkeit und -richtung für Wetterstationen
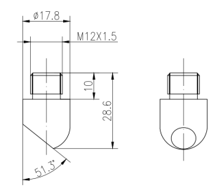
Artikel | Technische Parameter | Bild | |
Name | 200kHz Ultraschallwandler |
| |
Modell | PHA-200-01KD | ||
Frequenz | 200 kHz ±5% | ||
Erkennungsabstand | 0.10~1,5 m | ||
Minimum Parallele Lmpedanz | 700Ω ± 20% | ||
680PF ± 20%@1kHz | |||
Empfindlichkeit | Fahrspannung:800VPP,Distanz:0,3 m, Echoamplitude:35MV | ||
Gipfel Stromspannung<1000 VPP | |||
-40~+80 ℃ | |||
≤3Kilos oder 0,3 MPa | |||
| (Strahlbreite) Halbkraftstrahlbreite@-3db: 10 ° ± 2, Spitzer Winkel:23 ° ± 4 | ||
Gehäuse Material | Pom | ||
Verwendungszweck | Anemorumbometer, Gasflussmesser | ||
Faden:M12*1,5 | |||
Schutzlevel | IP68 | ||
Gewicht | 8.2g ± 5%( LEngles:10 cm) | ||
Verkabelungsanleitungen | integratED -Typ:Verbinder:Rot+,Weiß-,Schwarz: Schützer Draht; TEMP -Sensor ist optional | ||
Zulassungskurve | Produktstrukturdiagramm | ||
|
| ||
Bewerbung für Ultraschallanemometersensor:
Wetterstationen verwendeten üblicherweise Anemometer, da sie die Windgeschwindigkeit und die Richtung effizient erkennen. Die 2D -Anemometer können nur die horizontale Komponente der Windgeschwindigkeit und -richtung messen, während 3D -Anemometer die vertikale Windkomponente des Windes messen können. APTART VON WIND -Geschwindigkeit und -richtung können Ultraschallanemometer auch die Temperatur messen, da die Geschwindigkeit der ultrasonischen Schallwellen wellen wird durch Variationen der Temperatur beeinflusst, während die Unabhängigkeit von Druckänderungen aufrechterhalten wird. Die Temperatur wird berechnet, indem die Geschwindigkeitsschwankungen des Ultraschallschalls gemessen werden. Das Ultraschallanemometer ist im Vergleich zum Cup -Anemometer und des Vane -Anemometers langlebiger, da es keine beweglichen Teile hat und mit Ultraschallwellen arbeitet.
Anwendungsbild:
200kHz Utrasonische Wandlerwindgeschwindigkeit und -richtung für Wetterstationen
Artikel | Technische Parameter | Bild | |
Name | 200kHz Ultraschallwandler |
| |
Modell | PHA-200-01KD | ||
Frequenz | 200 kHz ±5% | ||
Erkennungsabstand | 0.10~1,5 m | ||
Minimum Parallele Lmpedanz | 700Ω ± 20% | ||
680PF ± 20%@1kHz | |||
Empfindlichkeit | Fahrspannung:800VPP,Distanz:0,3 m, Echoamplitude:35MV | ||
Gipfel Stromspannung<1000 VPP | |||
-40~+80 ℃ | |||
≤3Kilos oder 0,3 MPa | |||
| (Strahlbreite) Halbkraftstrahlbreite@-3db: 10 ° ± 2, Spitzer Winkel:23 ° ± 4 | ||
Gehäuse Material | Pom | ||
Verwendungszweck | Anemorumbometer, Gasflussmesser | ||
Faden:M12*1,5 | |||
Schutzlevel | IP68 | ||
Gewicht | 8.2g ± 5%( LEngles:10 cm) | ||
Verkabelungsanleitungen | integratED -Typ:Verbinder:Rot+,Weiß-,Schwarz: Schützer Draht; TEMP -Sensor ist optional | ||
Zulassungskurve | Produktstrukturdiagramm | ||
|
| ||
Bewerbung für Ultraschallanemometersensor:
Wetterstationen verwendeten üblicherweise Anemometer, da sie die Windgeschwindigkeit und die Richtung effizient erkennen. Die 2D -Anemometer können nur die horizontale Komponente der Windgeschwindigkeit und -richtung messen, während 3D -Anemometer die vertikale Windkomponente des Windes messen können. APTART VON WIND -Geschwindigkeit und -richtung können Ultraschallanemometer auch die Temperatur messen, da die Geschwindigkeit der ultrasonischen Schallwellen wellen wird durch Variationen der Temperatur beeinflusst, während die Unabhängigkeit von Druckänderungen aufrechterhalten wird. Die Temperatur wird berechnet, indem die Geschwindigkeitsschwankungen des Ultraschallschalls gemessen werden. Das Ultraschallanemometer ist im Vergleich zum Cup -Anemometer und des Vane -Anemometers langlebiger, da es keine beweglichen Teile hat und mit Ultraschallwellen arbeitet.
Anwendungsbild: