| Verfügbarkeitsstatus: | |
|---|---|
| Menge: | |
PH00200QB
Piezohannas
PH00200QB
200 kHz Ultraschallwandler für Ultraschallgasdurchflussmeter
technische Parameter:
Modell | PH00200QB |
Center Resonant Frequenz (KHz) | 200KHz ±3% |
FGleichheitBund width | 20KHz |
Startwinkelstrahl (-3 dB Vollwinkel) | 12 ± 2 ° |
integrierte Empfindlichkeit (0 dB = 10 VP-P ; CW; Entfernung: 16 cm | -65db Mindest |
Elektrostatische Kapazität | 2000PF ± 20% |
Minimale parallele Impedanz | 200 Ω ± 30% |
Maximale Arbeitsspannung (Impuls - 2% Dienstzyklus) | <100V |
Betriebstemperatur | -20 ~70 ℃ |
Schutzlevel | IP65 |
Fallmaterial | PBT |
Bild:
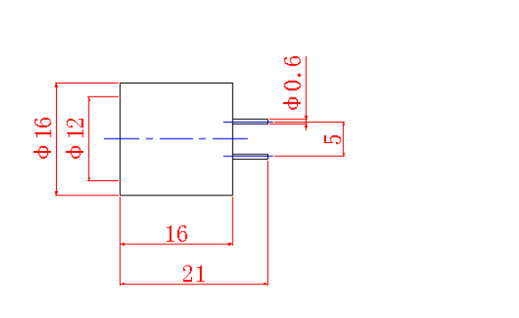
Umrissdimension:
Frequenzresistenz Kurve
Frequenz-Phase Winkel Kurve:
Direktivitätskurve
Anwendung des Gasdurchflussmessers:
Industrial Gasströmungsmesser Für Flüssigkeits- und Wasseranwendungen werden weit verbreitet, es ist seit langem akzeptiert, dass die Klemme der Gasdurchflussmeter -Technologie nicht auf die Messmessung des Massengasstroms angewendet werden konnte, die hauptsächlich auf grundlegende theoretische Messgrenzen zurückzuführen sind. Die übertragene Schallenergie wird von herkömmlichen Ultraschallwandlern empfangen. Fortschritte in der Klemme zur Messung der Gasflussmessung und der Verarbeitung haben jedoch dazu geführt, dass trotz niedrigerer akustischer Impedanzniveaus und höheren Dämpfungsniveaus bei den meisten Gasen eine Klemme des Gasströmungsmessers jetzt die Transitzeiten in Gasen messen kann niedrig. Es ist jetzt möglich zu messen Erdgas, Dampf, Pressluft, Wasserstoff, Pressluft und vieles mehr mit Klemme auf Flussmesser.
200 kHz Ultraschallwandler für Ultraschallgasdurchflussmeter
technische Parameter:
Modell | PH00200QB |
Center Resonant Frequenz (KHz) | 200KHz ±3% |
FGleichheitBund width | 20KHz |
Startwinkelstrahl (-3 dB Vollwinkel) | 12 ± 2 ° |
integrierte Empfindlichkeit (0 dB = 10 VP-P ; CW; Entfernung: 16 cm | -65db Mindest |
Elektrostatische Kapazität | 2000PF ± 20% |
Minimale parallele Impedanz | 200 Ω ± 30% |
Maximale Arbeitsspannung (Impuls - 2% Dienstzyklus) | <100V |
Betriebstemperatur | -20 ~70 ℃ |
Schutzlevel | IP65 |
Fallmaterial | PBT |
Bild:
Umrissdimension:
Frequenzresistenz Kurve
Frequenz-Phase Winkel Kurve:
Direktivitätskurve
Anwendung des Gasdurchflussmessers:
Industrial Gasströmungsmesser Für Flüssigkeits- und Wasseranwendungen werden weit verbreitet, es ist seit langem akzeptiert, dass die Klemme der Gasdurchflussmeter -Technologie nicht auf die Messmessung des Massengasstroms angewendet werden konnte, die hauptsächlich auf grundlegende theoretische Messgrenzen zurückzuführen sind. Die übertragene Schallenergie wird von herkömmlichen Ultraschallwandlern empfangen. Fortschritte in der Klemme zur Messung der Gasflussmessung und der Verarbeitung haben jedoch dazu geführt, dass trotz niedrigerer akustischer Impedanzniveaus und höheren Dämpfungsniveaus bei den meisten Gasen eine Klemme des Gasströmungsmessers jetzt die Transitzeiten in Gasen messen kann niedrig. Es ist jetzt möglich zu messen Erdgas, Dampf, Pressluft, Wasserstoff, Pressluft und vieles mehr mit Klemme auf Flussmesser.