Piezo Hannas (WuHan) Tech Co,.Ltd .- Professioneller Piezoceramic Elements Lieferant
Produkte
Sie sind hier: Heim / Produkte / Ultraschallwandler / Wandler für Distanz / 200-kHz-Hochfrequenz-Ultraschall-Abstandssensor für Ultraschall-Windsensor
Hochfrequenz Großhandelsprodukte für Hersteller und Fabriken:

Produktkategorie

Feedback

loading

Anteil an:
sharethis sharing button

200-kHz-Hochfrequenz-Ultraschall-Abstandssensor für Ultraschall-Windsensor

200kHz | 30 ° | 0,1 ~ 1M | Wird für Ultraschallwindsensor für Ultraschallanemometer verwendet, um Windgeschwindigkeit und -richtung intelligent zu messen, wird bei meteorologischer Überwachung, Brücken, Tunnel, Mine und Seelarnern usw. häufig verwendet.


Über den Ultraschall -Abstandswandler können wir 14 kHz 22 kHz 40 kHz 50 kHz 75 kHz 80 kHz 125 kHz 200 kHz 300 kHz 400 kHz anbieten, was die Resonanzfrequenz als die Resonanzfrequenz anbieten kann, können wir auch die Anpassung an die Anpassung anpassen.
Verfügbarkeitsstatus:
Menge:
  • PH200F011

  • Piezohannas

  • PH200F011

 

Einführung:

 

PH200F011 hat die Funktionen von Sender und Empfänger. Es kann im Allgemeinen für Ultraschallwindsensor für Ultraschallanemometer verwendet werden Fragen für andere Anwendungen, bitte kontaktieren Sie uns für Einzelheiten.



technische Parameter


Artikel

Parameter

Konstruktion

Hochfrequenz

Verwendung der Methode

Empfänger und Sender (zweigebrachte)

Nennfrequenz

200.0±8,0 kHz

Bandbreite

20,0 kHz

Empfindlichkeit

-80db min.

Mindest. Paralleler Widerstand

600Ω ±30%

Kapazität

400PF±20%

Max. Eingangsspannung

500VP-P

Direktivität

30° ±2°(-6db)

Entdeckung

0.11m

Schutzlevel

IP68

Betriebstemperatur

-20+80

Lagertemperatur

-40+85

Abdeckmaterial

Rostfreier Stahl




Umrissdimension:


6 {] v204j4q {pmuk}} otkla.png

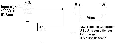
Testkreis:



@F0xjdm4%`@oor5epmaag.png

 

 

Merkmale von Ultraschallsensoren:

 

1.Kleiner Größe und leichtes Gewicht

2. Hohe Empfindlichkeit und hoher Schalldruck

3.Energieeffizient

4.HigH Zuverlässigkeit

 





Vorherige: 
Nächste: 

heiße Produkte

Piezo Hannas (WuHan) Tech Co,.Ltd ist eine professionelle piezoelektrische Keramik- und Ultraschallwandlerhersteller, die sich Ultraschalltechnologie und industriellen Anwendungen widmet.

EMPFEHLEN

KONTAKTIERE UNS

Hinzufügen: Nr. 456 Wu Luo Road, Wuchang District, Wuhan City, Provinz Hubei, China.
Email:sales@piezohannas.com
Tel: +86 27 84898868
Telefon: +86 +18986196674
QQ: 1553242848
Skype: Live: Mary_14398
Copyright 2017  Piezo Hannas (WuHan) Tech Co,.Ltd.All rights reserved.
Produkte