Piezo Hannas (WuHan) Tech Co,.Ltd .- Professioneller Piezoceramic Elements Lieferant
Produkte
Sie sind hier: Heim / Produkte / Ultraschallwandler / Messumformer für Durchflussmesser / 145-kHz-Hochtemperatur-Ultraschall-Durchflussmesser-Wandler in meiner
Hochfrequenz Großhandelsprodukte für Hersteller und Fabriken:

Produktkategorie

Feedback

loading

Anteil an:
sharethis sharing button

145-kHz-Hochtemperatur-Ultraschall-Durchflussmesser-Wandler in meiner

Anwendung: Der Wandler ist für Ultraschall -Minenluftströmungsmessgeräte verwendet, mit dem alle Arten von Tunnelluftstrom in Mine gemessen werden.
Verfügbarkeitsstatus:
Menge:
  • PH145F00310

  • Piezohannas

  • PH145F00310

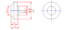
Artikel

Parameter 

ZentralfrequenzKHz

145 kHz ± 4%

Bandbreite

12 kHz

Umfassende Sensibilität  0  DB = 5 VP-PKontinuierliche Welle, Abstand: 5 cm

-34db min

Strahlwinkel-3db voll geöffnet

14 ± 2 °

Statische Kapazität

650PF ± 20%

Parallelwiderstand (Minimum)

700 Ω ± 30%

Arbeitsspannung (maximieren)

Plusewelle (Arbeitszyklus 2%)

500V

Arbeitstemperatur

-2070

IP -Ebene

IP65

Fallmaterial

Abs

 


Bild:


{Ul5lgp0zanpz (UV} $ ks8qp.pngK) [iv0qs2@$ 3d {wl_c6h0l7.png



Frequenzwiderstand                                                            Frequenz - Phasenkurve

 


) 5 $ @@ (123S $ R} 8J4K4} nr3.png}] `T77 [hdxbpgpywarl2jl7.png




Der Empfindlichkeitstest:


Startspannung:5VP-PCWDistanz:5cm



R56GH_G8Q2T06@M4BRQ) (F.PNG



Zeigungswinkelkurve



R [467K37 {} pa` (a0jv) LY@E.png






Vorherige: 
Nächste: 

heiße Produkte

Piezo Hannas (WuHan) Tech Co,.Ltd ist eine professionelle piezoelektrische Keramik- und Ultraschallwandlerhersteller, die sich Ultraschalltechnologie und industriellen Anwendungen widmet.

EMPFEHLEN

KONTAKTIERE UNS

Hinzufügen: Nr. 456 Wu Luo Road, Wuchang District, Wuhan City, Provinz Hubei, China.
Email:sales@piezohannas.com
Tel: +86 27 84898868
Telefon: +86 +18986196674
QQ: 1553242848
Skype: Live: Mary_14398
Copyright 2017  Piezo Hannas (WuHan) Tech Co,.Ltd.All rights reserved.
Produkte