Piezoelektrische Eigenschaften des piezoelektrischen Wandlers
9 Geheimnisse, um den piezoelektrischen Wandler schnell und effizient zu erledigen
Machen Sie Ihren piezoelektrischen Wandler Wirklichkeit werden
Wie man mit piezoelektrischem Wandler in 10 Minuten besser wird
Dinge, die Ihr Chef wünscht, Sie wussten über den piezoelektrischen Wandler
Das größte Problem mit dem piezoelektrischen Wandler und wie Sie es beheben können
Wie man sich in 60 Minuten bei piezoelektrischem Wandler verbessert
| Verfügbarkeitsstatus: | |
|---|---|
| Menge: | |
PH14F145
Piezohannas
PH14F145
14 kHz Langstrecken -Ultraschallabstandssensor für 45 Meter
Einführung:
Der Ultraschallsensor von PH14F145 hat die Funktionen von Sender und Empfänger. Es handelt sich um einen Langstreckentyp, der im Allgemeinen für Ultraschallbereichsfinder, Ultraschallsensor für nichtkontakte Erkennungsobjekte, Ultraschalldistanzsensor, Ultraschall-Sensor auf Flüssigkeitsebene usw. verwendet werden kann. Wenn Sie Fragen zu anderen Anwendungen haben, kontaktieren Sie uns bitte für Details.
Technische Parameter:
Modell | PH14F145 |
Center Resonant Frequenz (KHz) | 14 kHz ± 2,0 kHz |
Bandbreite | 1,5 kHz |
Erkennungsabstand | 1,0 ~ 45 m |
Tote Winkel | <1,0 m |
Startwinkelstrahl(-6db vollWinkel) | 15 ± 2 ° |
Empfindlich | -55db min |
Elektrostatische Kapazität | 11000PF ± 20% |
Minimale parallele Impedanz | 280 Ω ± 30% |
Maximale Arbeitsspannung (Impuls - 2% Dienstzyklus) | 4000 VP-P |
Betriebstemperatur | -20 ~ 70℃ |
Lagertemperatur | -40 ~ 85℃ |
Schutzlevel | IP65 |
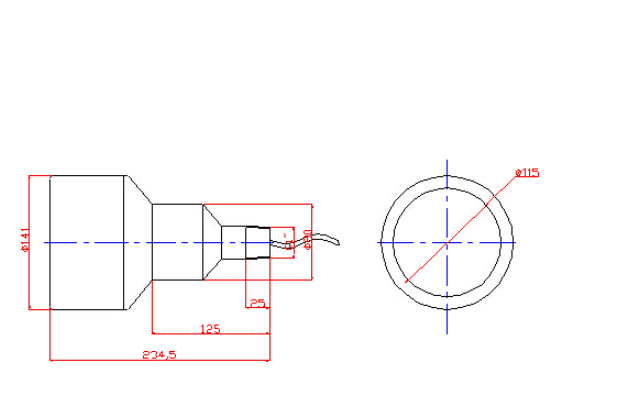
Größe (Durchmesser * Höhe, mm) | φ140x235 |
Installation | Mit Schraube befestigt |
Fallmaterial | Abs |
Kabellänge | 3 m (kann angepasst werden) |
Gewicht | 2,5 kg |
Foto:
Umrissdimension:
Frequenzresistenzkurve:
Frequenz-Phasenwinkel Kurve:
Sensitivitätstest:
Übertragungsspannung: 400 VP-P; Periode: 50; Entfernung: 1,5 m
DIrektivität CUrve:
Merkmale von Ultraschallsensoren:
1.Kleiner Größe und leichtes Gewicht
2. Hohe Empfindlichkeit und hoher Schalldruck
3.Energieeffizient
4.Hohe Zuverlässigkeit
Charakteristisch:
1.Firma Signal Seal (PVC Outer Abdeckung)
2.Convenience Thread Rate (G1 \")
Anwendung:
1.Position Ort
2.Annäherungsmessung
3.Verkehrsmessung
4.Hindernisse vermeiden
14 kHz Langstrecken -Ultraschallabstandssensor für 45 Meter
Einführung:
Der Ultraschallsensor von PH14F145 hat die Funktionen von Sender und Empfänger. Es handelt sich um einen Langstreckentyp, der im Allgemeinen für Ultraschallbereichsfinder, Ultraschallsensor für nichtkontakte Erkennungsobjekte, Ultraschalldistanzsensor, Ultraschall-Sensor auf Flüssigkeitsebene usw. verwendet werden kann. Wenn Sie Fragen zu anderen Anwendungen haben, kontaktieren Sie uns bitte für Details.
Technische Parameter:
Modell | PH14F145 |
Center Resonant Frequenz (KHz) | 14 kHz ± 2,0 kHz |
Bandbreite | 1,5 kHz |
Erkennungsabstand | 1,0 ~ 45 m |
Tote Winkel | <1,0 m |
Startwinkelstrahl(-6db vollWinkel) | 15 ± 2 ° |
Empfindlich | -55db min |
Elektrostatische Kapazität | 11000PF ± 20% |
Minimale parallele Impedanz | 280 Ω ± 30% |
Maximale Arbeitsspannung (Impuls - 2% Dienstzyklus) | 4000 VP-P |
Betriebstemperatur | -20 ~ 70℃ |
Lagertemperatur | -40 ~ 85℃ |
Schutzlevel | IP65 |
Größe (Durchmesser * Höhe, mm) | φ140x235 |
Installation | Mit Schraube befestigt |
Fallmaterial | Abs |
Kabellänge | 3 m (kann angepasst werden) |
Gewicht | 2,5 kg |
Foto:
Umrissdimension:
Frequenzresistenzkurve:
Frequenz-Phasenwinkel Kurve:
Sensitivitätstest:
Übertragungsspannung: 400 VP-P; Periode: 50; Entfernung: 1,5 m
DIrektivität CUrve:
Merkmale von Ultraschallsensoren:
1.Kleiner Größe und leichtes Gewicht
2. Hohe Empfindlichkeit und hoher Schalldruck
3.Energieeffizient
4.Hohe Zuverlässigkeit
Charakteristisch:
1.Firma Signal Seal (PVC Outer Abdeckung)
2.Convenience Thread Rate (G1 \")
Anwendung:
1.Position Ort
2.Annäherungsmessung
3.Verkehrsmessung
4.Hindernisse vermeiden