Piezo Hannas (WuHan) Tech Co,.Ltd .- Professioneller Piezoceramic Elements Lieferant
Neuigkeit
Sie sind hier: Heim / Nachrichten / Ultraschall -Wandlerinformationen / Erforschung des vom Ultraschallsensor entworfenen automatischen Ebenensteuerungssystems

Erforschung des vom Ultraschallsensor entworfenen automatischen Ebenensteuerungssystems

Anzahl Durchsuchen:0     Autor:Site Editor     veröffentlichen Zeit: 2020-07-17      Herkunft:Powered

erkundigen

facebook sharing button
twitter sharing button
line sharing button
wechat sharing button
linkedin sharing button
pinterest sharing button
whatsapp sharing button
sharethis sharing button

Systemfunktion Übersicht und Blockdiagramm

Dieses Design verwendet MCS-51 Single-Chip-Mikrocomputer in Kombination mit digitalem Chip- und Analogkreis, um die Erkennung und automatische Steuerung des Wasserspiegels zu vervollständigen. Das BasisUltraschallsensorteileWas der Host den Flüssigkeitsniveau von sich selbst und den Sklaven durch die Tastatur legt, misst der Ultraschallsensor den Spannungswert, der dem aktuellen Wasserstand entspricht, und sendet ihn dann an den Controller und verglichen mit dem Satzwert über das Analog-zu-Digital Umwandlung und der Einzelchip-Computer steuert das Magnetventil, das den Flüssigkeitsniveau des Hosts einstellt und den festgelegten Wert und den Stromwert auf dem LCD angezeigt wird. Der Host -Controller überträgt den festgelegten Wert über 485 Kommunikation an den Slave -Controller, und der Slave -Controller kann auch den Flüssigkeitsniveau wie den Host -Controller steuern und den Wert und den aktuellen Flüssigkeitsniveau des Hosts über den LCD anzeigen. und verwenden Sie 485 Kommunikation, um den aktuellen Flüssigkeitsniveau des Sklaven an den Host zu senden und ihn anzuzeigen.

Das System besteht aus einem Einzel-Chip-Mikrocomputer-System-Datenverarbeitungsmodul, einem A/D-Dateneingangsmodul, einem 485-Kommunikationsmodul, dem Steuerungsmodul und dem Alarmmodul der Flüssigkeitsebene, der Tastatur und des Anzeigemoduls. Schema Demonstration und Vergleich berücksichtigen Sie die Anforderungen des Systems. Im Auswahlprozess des Geräts liegt der Fokus auf der Auswahl vonUltraschall -Flüssigkeitsspiegelsensorund analog-digitale Konvertierungschips.

Sensor

Während des Systemdesignprozesses wurden die folgenden drei Ultraschallsensoren ausgewählt und verglichen.

Lösung 1: Drucksensor

Gegenwärtig sind die meisten Drucksensoren des Flüssigkeitsspiegels Eingangsübertragungsübertrager für statische Druckflüssigkeiten, und der statische Druck -Flüssigkeitsspiegel -Sensoren können nur unter Bezugnahme auf den atmosphärischen Druck genau gemessen werden. Die Belüftung im Verbindungskabel wird jedoch von der Umwelt beeinflusst, wodurch die innere Wand der Kondensation der Luftröhre und Kondensation verursacht wird. TEW -Tropfen auf elektronische Geräte und Sensoren können die Genauigkeit oder die Ausgangsdrift beeinflussen. Gleichzeitig wird die Lebensdauer des Senders stark verkürzt, wenn die Kondensation zu schnell ist. Dieser Drucksensor ist leicht von der Umwelt zu beeinflussen und verursacht eine ungenaue Messung und ist unpraktisch zu installieren.

Option 2: Piezoresistiver Drucksensor

Der piezoresistive Sensor verwendet ein integriertes Schaltungsverfahren, um einen diffusen Varistor auf einer bestimmten Kristallausrichtung direkt auf einem Silizium -Flachmembran zu erstellen. Das Silizium -Flachmembran hat gute elastische Eigenschaften, wenn es leicht deformiert ist. Wenn der Siliziumwafer gedrückt wird, führt die Verformung des Zwerchfells zu einer Änderung des Widerstands des Diffusionswiderstands. Dieser Varistor ist leicht von der externen Umgebung zu beeinflussen, wie z. B. Temperatur, was zu einer ungenauen Messung führt, und das Volumen ist im Allgemeinen groß. Es ist nicht einfach zu installieren und nicht einfach zu tragen. Im Allgemeinen ist seine Genauigkeit relativ niedrig. Es kann nicht den Bedürfnissen des Designs erfüllen.

Lösung 3: Ultraschallsensor

Ultraschallsensor ist der erste kleine Sensor mit der wichtigsten Einstellungsfunktion und der Selbstdiagnosefunktion in der Branche. Obwohl es klein ist, hat es die Funktionen anderer großer Sensoren. Es ist einfach zu installieren und zu verwenden und wird nicht von der Farbe des Messobjekts beeinflusst. Es verfügt über viele spezielle Funktionen, wie z. Die Stromversorgungsspannung beträgt 10 ~ 30 V, der Messbereich beträgt 30 mm ~ 300 mm, die Ausgangsspannung 0V ~ 10 V, der Ausgangsstrom 4 mA ~ 20 mA, die minimale Lastimpedanz 2,5 Ohm und die Genauigkeit kann 0,5 mm erreichen, die Form ist geteilt In geraden Typ und rechtwinkliger Typ. Das Induktionskaliber beträgt 18 mm. Der Ultraschallsensor hat die Bedingungen, um die vom Entwurf erforderliche Flüssigkeitsspiegelregelung von 0-25 cm zu erfüllen, und die Anforderung, dass der Fehler des Flüssigkeitsniveaus ± 0,3 cm nicht überschreitet, und das Problem der unangenehmen Installation löst. Daher wählt dieses Design einen Ultraschallsensor mit hoher Genauigkeit und geringer Größe aus.

A/D -Konverter

Die Genauigkeit und Leistung des A/D-Wandlers beeinflusst direkt die Genauigkeit der vom Back-End-Mikrocontroller empfangenen Daten. Hier vergleichen und analysieren wir die folgenden zwei Anzeigenkonverter.

Lösung 1: Verwenden Sie 8-Bit ADC0809 A/D-Wandler

ADC0809 ist ein häufig verwendeter 8-Bit-A/D-Wandler, der ein aufeinanderfolgender Approximationstyp ist. ADC0809 wird von einem einzelnen +5V angetrieben. Der Chip enthält 8 analoge elektronische Schalter mit einer Verriegelungsfunktion, die auf 0 bis +5 V 8 analoge Spannungen reagieren kann. Das Signal wird in der Zeit Sharing umgewandelt und dauert ungefähr 100 USD, um eine Umwandlung abzuschließen. Die Geschwindigkeit ist also schneller, aber der ADC0809-Chip hat eine geringe Auflösung und unzureichende Genauigkeit, die die Anforderungen dieses Systems nicht erfüllen und nicht verwendet wird.

Option 2: Übernehmen Sie 4 und ein halbes Doppel -Integral -A/D -Wandler ICL7135

ICL7135 ist ein weit verbreiteter A/D -Wandler, ein integraler A/D -Wandler mit dynamischer BCD -Codeausgabe. Seine Eigenschaften sind: hohe Präzision, automatische Polaritätsumwandlungsausgabe, automatische Nullkalibrierung, Einsatzversorgungsbetrieb und dynamischer BCD -Codeausgabe. Da die Doppelintegrationszeit der Doppelintegrationsmethode relativ lang ist, ist die A/D -Umwandlungsgeschwindigkeit normalerweise langsam (3 bis 10) Mal/s. Darüber hinaus ist die Integration des regelmäßig verändernden Interferenzsignals Null und die Anti-Interferenz-Leistung ist ebenfalls relativ gut. Bei der gleichen Genauigkeit ist der Preis niedriger als der aufeinanderfolgende A/D -Wandler vom Typ A/D, sodass es in den Fällen, in denen die Geschwindigkeitsanforderung nicht hoch ist, diese Art von A/D -Konverter eher verwendet.

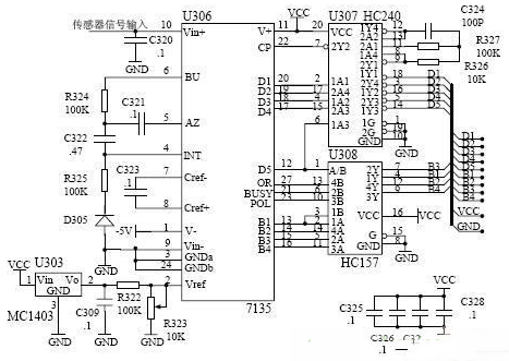
Berücksichtigung der Anforderungen derUltraschallsensor für die Entfernungsmessung Dieses Design verwendet den ICL7135 A/D -Wandler mit hoher Steuergenauigkeit. .Minimales System (Stromversorgungsschaltung und E/A -Expansions- und Strobe -Schaltung). Die kleinste Systemplatine, die in diesem Design verwendet wird, basiert auf dem 80C52 -Mikrocontroller und hat eine gute Skalierbarkeit. Die CPU ist mit einem Kristalloszillator von 11,0592 MHz verbunden, der hauptsächlich aus einem 74LS373 -Latch -Schaltkreis, einem 74LS138 -Dekodierungskreis, einer Schaltfläche, einem Anzeigegerät, einem ICL7135 und seinen peripheren typischen Schaltkreisen besteht, und verwendet 8255 und verwendet 8255, um das i/O/O/O/O zu erweitern. Schnittstelle. Die minimale Systemschaltung ist in Abbildung 2 dargestellt.


2mkh3`q1kql43id_uz9xf


Software-Design

Der Software-Teil verwendet hauptsächlich 51-Serien-Single-Chip-Mikrocomputer als Controller. Die Ausgangsspannung des Sensors wird abgetastet, der abgetastete Wert wird mit dem festgelegten Wert verglichen, der Single-Chip-Mikrocomputer steuert das Magnetventil, um den Flüssigkeitsniveau einzustellen, die, die Der Host legt den Wert für die Erweiterung durch 485 Kommunikation fest und steuert den Erweiterungs -Flüssigkeitsniveau. Der Software -Teil enthält ICL7135 -Stichprobenenteil, 485 Kommunikationsteil, digitaler Verarbeitungsteil, Anzeigeteil, Tastaturteil usw. Um die durch die Bewegung des Ultraschallsensors für die Entfernungsmessung verursachten ungenauen Messdaten zu vermeiden, wird eine Null -Einstellfunktion besonders hinzugefügt, um die Genauigkeit des Systems weiter zu verbessern. Das Hauptprogrammflussdiagramm ist in Abbildung 4 dargestellt.


) 9MF%89GD7J9 (I'viwr

Experimentelle Ergebnisse und Analyse

Die erforderliche Testausrüstung ist ein 4-stelliges 1/2-digitaler digitaler Multimeter-, Skalierungs- und 100-m-digitaler Oszilloskop mit zwei Spuren.


LX95 %% B1KJQ5QN2H`LTA0


Aus den oben genannten Daten können wir feststellen, dass die Testdatengenauigkeit jeder Erkennungseinheit des Systems sehr hoch ist, der Wert von Flüssigkristall und der gemessene Wert sehr nahe am festgelegten Wert liegt. Es gibt eine lineare Beziehung zum Sensorausgang Spannung und eine bestimmte proportionale Beziehung zum Gewicht ist untrennbar mit der Auswahl der Hardware und der Anpassung seiner Parameter und der Auswahl der Software -Steuerungsalgorithmen verbunden.


Entwurfszusammenfassung

Dieses Design verwendet Hardware wie Ultraschallsensor, ICL7135 und andere hochpräzise Chips und Instrumente für die Messung des Flüssigkeitsspiegels, sodass die Genauigkeit des Flüssigkeitsspiegels viel höher ist als die Anforderung, dass der Fehler des Flüssigkeitsspiegels ± 0,3 cm nicht überschreitet. Dieses Design verwendet auch die max. MAX485 -Kommunikation, OCM4x8C -Flüssigkeitskristall -LCD und andere Chips und Komponenten, wodurch das Design mehr den tatsächlichen Anwendungsanforderungen entspricht und die Schwierigkeit des Softwaredesigns entsprechend verringert. In der Software reduziert die Verwendung standardisierter Programmiermethoden den vom Programm erforderlichen Speicherplatz effektiv. Gegenwärtig wird dieses Thema hauptsächlich für die Erkennung des Grundwasserspiegels verwendet.


Feedback
Piezo Hannas (WuHan) Tech Co,.Ltd ist eine professionelle piezoelektrische Keramik- und Ultraschallwandlerhersteller, die sich Ultraschalltechnologie und industriellen Anwendungen widmet.

EMPFEHLEN

KONTAKTIERE UNS

Hinzufügen: Nr. 456 Wu Luo Road, Wuchang District, Wuhan City, Provinz Hubei, China.
Email:sales@piezohannas.com
Tel: +86 27 84898868
Telefon: +86 +18986196674
QQ: 1553242848
Skype: Live: Mary_14398
Copyright 2017  Piezo Hannas (WuHan) Tech Co,.Ltd.All rights reserved.
Produkte